Einstellungen Computer

Echo SRM-400E - String Trimmer Driveshaft, Handles, Gear Case, Throttle, Harness, Tools Ersatzteile

Driveshaft, Handles, Gear Case, Throttle, Harness, Tools SRM-400E - Echo String Trimmer

 Echo Trimmer, Faden / Bürste SRM-400E - Echo String Trimmer Driveshaft, Handles, Gear Case, Throttle, Harness, Tools

Hier finden Sie die Ersatzteilzeichnung für Echo Trimmer, Faden / Bürste SRM-400E - Echo String Trimmer Driveshaft, Handles, Gear Case, Throttle, Harness, Tools. Wählen Sie das benötigte Ersatzteil aus der Ersatzteilliste Ihres Echo Gerätes aus und bestellen Sie einfach online. Viele Echo Ersatzteile halten wir ständig in unserem Lager für Sie bereit.

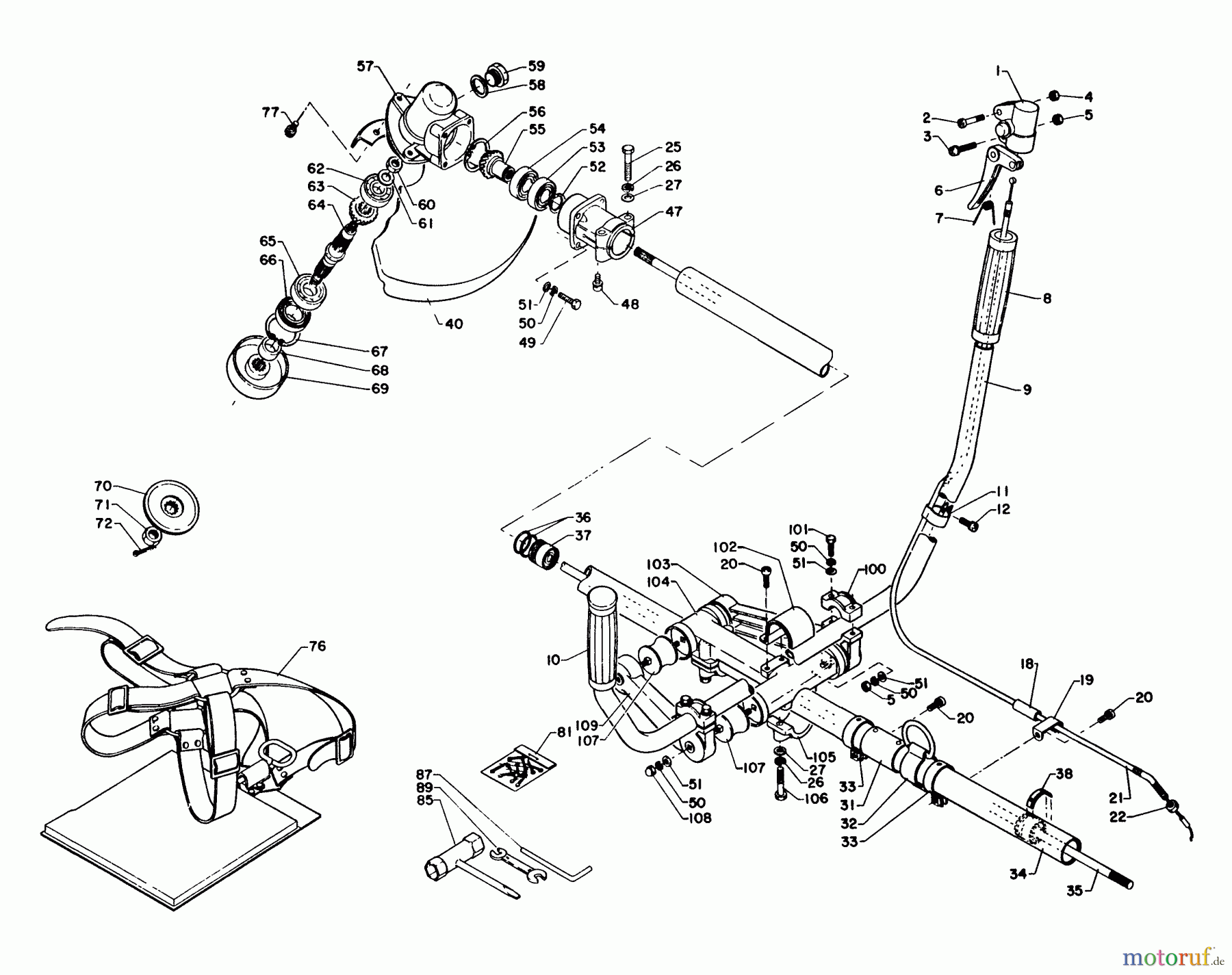
BildNrArtikel NummerBezeichnung
1 16-178024-06130Plastikhalter
2 16-178110-05330Schraube
3 16-900220-05025Schraube
4 16-900560-00005Mutter M5, selbstsichernd (10)
5 16-900500-00005Mutter PPT-300ES/T-226 EDR-
6 16-178010-05330Gashebel
7 16-178043-05230Feder
8 16-351315-27930Griff EDR-2400
9 1699999999999
10 16-351311-02330Griff SRM-2015,2305,2455,2655,
11 16-178106-06230Band Produktion eingestellt
12 16-900241-05010Schraube(Eisen)
18 16-178016-05330Schlauch Produktion
19 16-178111-06230Clip SRM-2655, SRM-310E
20 16-900241-05014Schraube
21 16-178002-09131Gaszug SRM-300E Produktion
22 16-900502-00006Mutter SRMF-340 6 (3N)
31 16-301224-06230Führung
32 16-301200-06230Aufhänger 28MM Rohr
33 16-301207-05630Halterung
34 16-610206-04231ZSB-Gestänge Produktion
36 16-610112-04230Ring Produktion eingestellt !!
37 16-610105-04230Antriebsstück Produktion
35 16-610011-06230Antriebswelle SRM-3150, 4600
38 16-890152-04930Aufkleber
40 16-699010-06230Messerschutz Produktion
16-610400-22730Zsb. Getriebegehäuse
25 16-900100-06035Schraube
26 16-900605-00006Scheibe SHR-150SI/-170SI
27 16-900600-00006Scheibe
47 16-610412-06230Lagergehäuse Produktion
48 16-900242-05012Schraube
49 16-900100-05020Sechskantschraube
50 16-900605-00005Scheibe PB-250/EC-7600
51 16-900600-00005Scheibe PB-500/452GS/DH2200ST
52 16-900701-00015Seegerring außen 15mm
53 16-900801-06002Kugellager
54 16-900800-06002Kugellager
55 16-610300-22730Getriebesatz Produktion
56 16-900702-00032Seegerring, innen, 32mm
57 16-610410-06231Getriebegehäuse Produktion
58 16-610511-01230Dichtung
59 16-610510-01930Getriebestopfen Zubehör
60 16-900502-00008Mutter EA-410
61 16-900600-00008Scheibe
62 16-94035-36201Kugellager EA-410/SHR-170SI
63 1616
64 16-610310-22730Antriebswelle Produktion
65 16-900810-06202Kugellager BCLS-580
66 16-610413-06230Simmering Produktion
67 16-900702-00035Seegerring, innen, 35mm
68 16-610334-06230Distanzring
69 16-610313-06230Fixierplatte Produktion
70 16-610314-06231Druckplatte Produktion
71 16-900511-00010Linksgewindemutter f. Messer-
72 16-900300-20022Splint PAS-2400, RMA-2530, RM-
76 1630100024531
77 16-900242-05014Schraube(Eisen) CS-3500, SRM
78 16-610443-06230Schutzblech Produktion
81 16-898502-01130Splint Pack a 10 Stck
85 16-895410-07930Kombischlüssel
87 16-897518-01131Blockierwerkzeug
89 16-895112-00330Gabelschlüssel PPT-300ES
100 16-352015-05330Halterung Produktion
101 16-900100-05025Schraube
102 16-352090-05330Halter
103 16-352014-05330Arm, rechts
104 16-352010-05330Halter
105 16-352018-05330Halterung Produktion
106 16-900100-06030Schraube Produktion
107 16-352019-05330Puffer
108 16-210419-01110Mutter PB-400E
109 16-352013-05330Arm, links
Rasen
Bankeinzug, MasterCard, Visa, American Express, PayPal, Nachnahme, Vorauskasse, Sofortüberweisung
Datenschutzerklärung Impressum