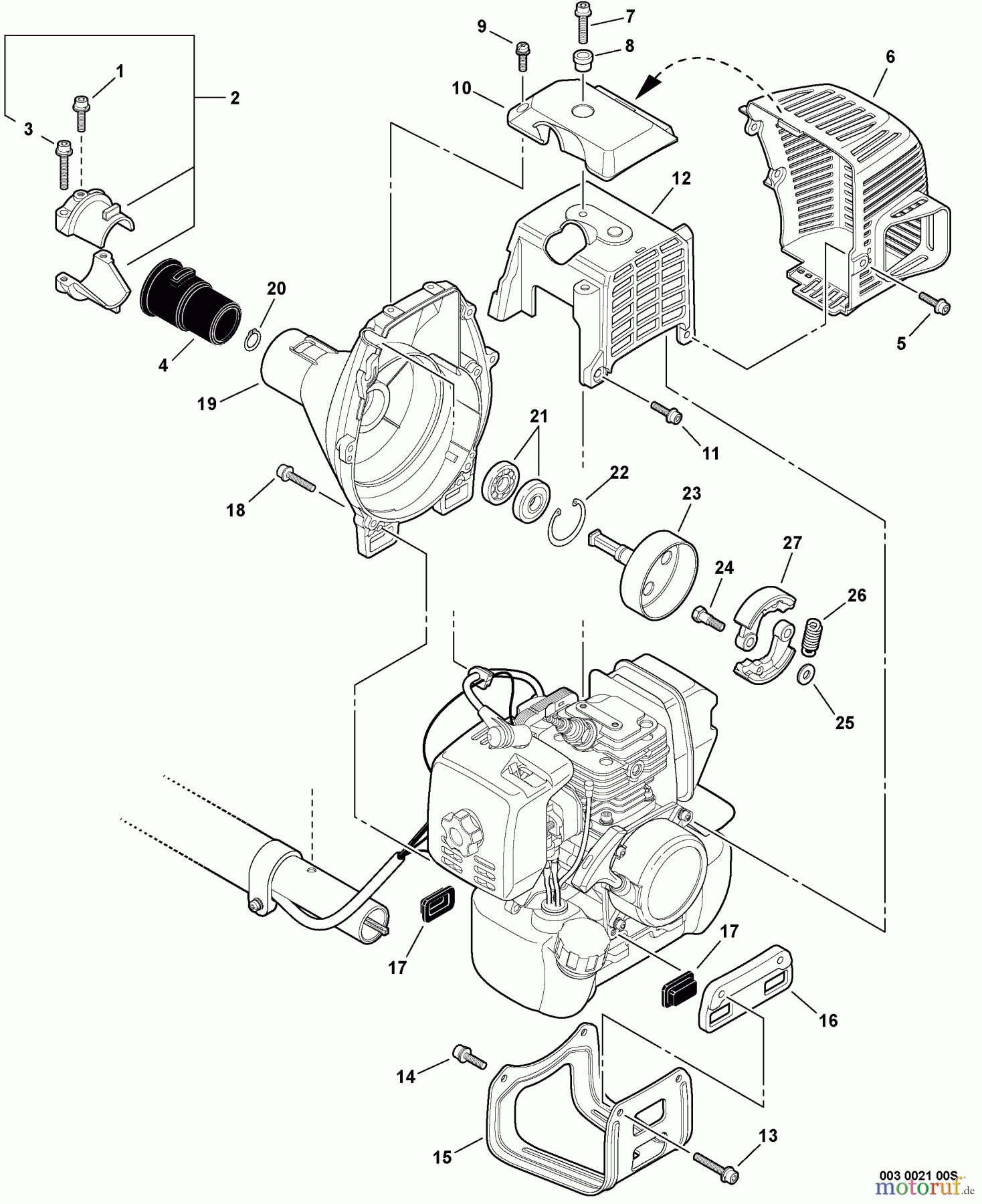
Echo SRM-311S - String Trimmer, S/N:S82013001001 - S82013999999 Engine Cover, Fan Case, Clutch Ersatzteile
Engine Cover, Fan Case, Clutch SRM-311S - Echo String Trimmer, S/N:S82013001001 - S82013999999

Hier finden Sie die Ersatzteilzeichnung für Echo Trimmer, Faden / Bürste SRM-311S - Echo String Trimmer, S/N:S82013001001 - S82013999999 Engine Cover, Fan Case, Clutch. Wählen Sie das benötigte Ersatzteil aus der Ersatzteilliste Ihres Echo Gerätes aus und bestellen Sie einfach online. Viele Echo Ersatzteile halten wir ständig in unserem Lager für Sie bereit.


Qualitätsmanagement
Informieren Sie uns, wenn Sie einen Fehler gefunden haben.

