Echo SRM-3110 - String Trimmer (Type 2E) Engine, Fan Housing Ersatzteile
Engine, Fan Housing SRM-3110 - Echo String Trimmer (Type 2E)

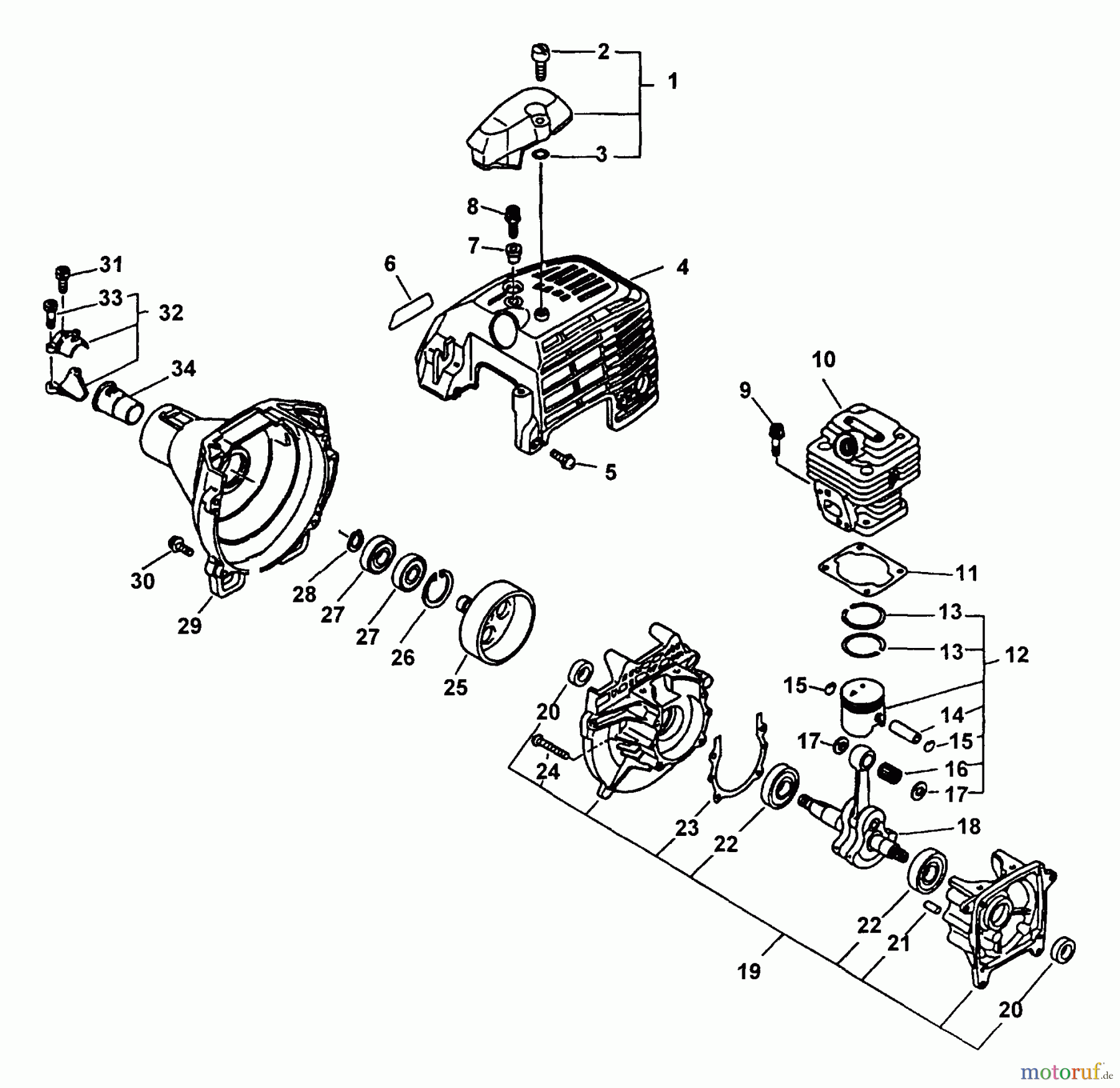
Hier finden Sie die Ersatzteilzeichnung für Echo Trimmer, Faden / Bürste SRM-3110 - Echo String Trimmer (Type 2E) Engine, Fan Housing. Wählen Sie das benötigte Ersatzteil aus der Ersatzteilliste Ihres Echo Gerätes aus und bestellen Sie einfach online. Viele Echo Ersatzteile halten wir ständig in unserem Lager für Sie bereit.


Qualitätsmanagement
Informieren Sie uns, wenn Sie einen Fehler gefunden haben.

