Echo SRM-3001 - String Trimmer, S/N: 021091 - 027000 Engine, Crankcase, Fan Housing, Cover Ersatzteile
Engine, Crankcase, Fan Housing, Cover SRM-3001 - Echo String Trimmer, S/N: 021091 - 027000

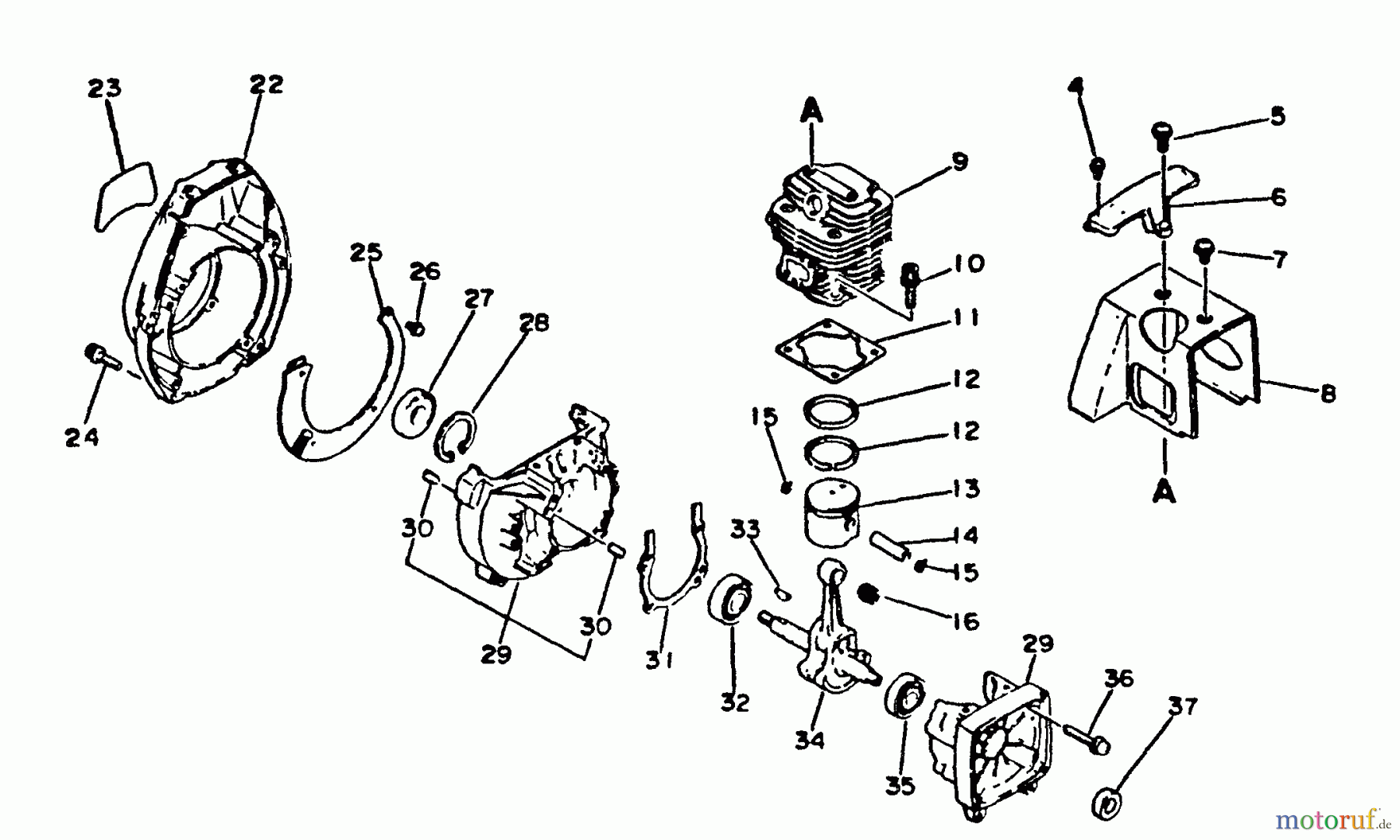
Hier finden Sie die Ersatzteilzeichnung für Echo Trimmer, Faden / Bürste SRM-3001 - Echo String Trimmer, S/N: 021091 - 027000 Engine, Crankcase, Fan Housing, Cover. Wählen Sie das benötigte Ersatzteil aus der Ersatzteilliste Ihres Echo Gerätes aus und bestellen Sie einfach online. Viele Echo Ersatzteile halten wir ständig in unserem Lager für Sie bereit.


Qualitätsmanagement
Informieren Sie uns, wenn Sie einen Fehler gefunden haben.

