Echo SRM-3000 - String Trimmer, S/N:037501 - 043225 Intake, Exhaust, Air Cleaner, Fuel System Ersatzteile
Intake, Exhaust, Air Cleaner, Fuel System SRM-3000 - Echo String Trimmer, S/N:037501 - 043225

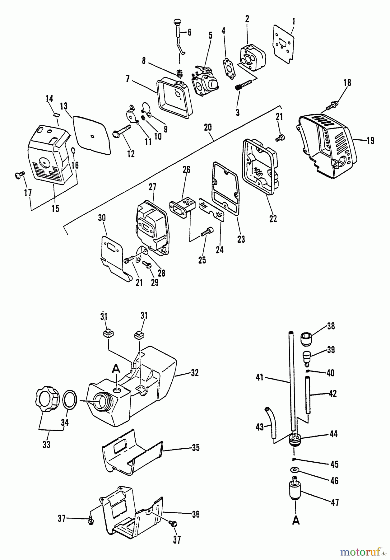
Hier finden Sie die Ersatzteilzeichnung für Echo Trimmer, Faden / Bürste SRM-3000 - Echo String Trimmer, S/N:037501 - 043225 Intake, Exhaust, Air Cleaner, Fuel System. Wählen Sie das benötigte Ersatzteil aus der Ersatzteilliste Ihres Echo Gerätes aus und bestellen Sie einfach online. Viele Echo Ersatzteile halten wir ständig in unserem Lager für Sie bereit.


Qualitätsmanagement
Informieren Sie uns, wenn Sie einen Fehler gefunden haben.




