Einstellungen Computer

Echo RM-303E - String Trimmer Clutch, Exhaust, Fan Case, Intake, Ignition Switch, Starter Ersatzteile

Clutch, Exhaust, Fan Case, Intake, Ignition Switch, Starter RM-303E - Echo String Trimmer

 Echo Trimmer, Faden / Bürste RM-303E - Echo String Trimmer Clutch, Exhaust, Fan Case, Intake, Ignition Switch, Starter

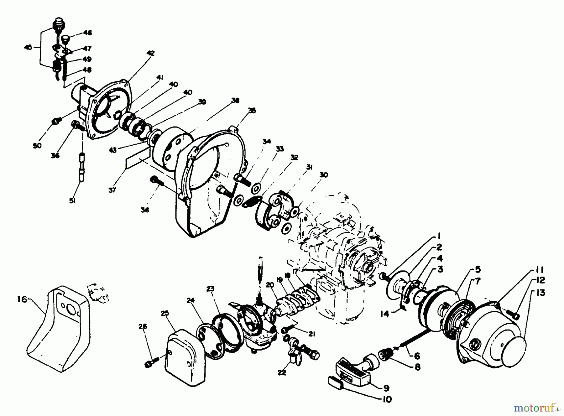
Hier finden Sie die Ersatzteilzeichnung für Echo Trimmer, Faden / Bürste RM-303E - Echo String Trimmer Clutch, Exhaust, Fan Case, Intake, Ignition Switch, Starter. Wählen Sie das benötigte Ersatzteil aus der Ersatzteilliste Ihres Echo Gerätes aus und bestellen Sie einfach online. Viele Echo Ersatzteile halten wir ständig in unserem Lager für Sie bereit.

BildNrArtikel NummerBezeichnung
1699999999999
1 16-177236-05530Schraube
2 16-177211-05730Platte Produktion eingestellt
3 16-177233-05530Feder Produktion eingestellt
4 16-177218-05530Starterklinke Produktion
5 16-177215-05730Seilscheibe
6 16-177226-01110Starterseil
7 16-177220-05730Starterfeder
8 16-177227-05530Seilführung
9 16-177228-01110Startergriff PB-6000, PB-46LN,
10 16-177244-01110Griffkappe DM-9
11 16-177232-05730Startergehäuse Produktion
14 16-177234-05730Feder Produktion eingestellt
12 16-900242-04014Schraube 4x14(Eisen)
13 16-890112-06031Aufkleber
16 1612902907130
17 1613001007530
18 16-130017-05730Zwischenflansch
19 16-130016-05731Dichtung
20 16-130510-05730Einlasstutzen Produktion
21 16-900242-04025Schraube(Eisen)
22 16-132200-00512Benzinhahn RM-380, RM-385
23 16-130314-05530Luftfiltergehäuse
24 16-130310-05730Luftfilter
25 16-130313-05530Luftfilterdeckel
26 16-900242-04028Schraube
30 16-175048-05530Scheibe SRM-320/350/SHR-170SI/
31 16-175009-05731Kupplungsbacken Produktion
32 16-175018-05731Kupplungsfeder SRM-310E
33 16-175049-05530Scheibe Produktion eingestellt
34 16-175046-05530Schraube
35 1610151107130
36 16-900242-05022Schraube CS-2600
37 16-890034-07130Aufkleber Produktion
38 16-175005-07130Kupplungstrommel Produktion
39 16-900702-00028Seegerring, innen, 28mm
40 16-94042-06001Kugellager PPT-2100/-2400/-
41 16-900701-00012Seegerring außen 12mm
42 16-610223-07131Kupplungsgehäuse Produktion
43 16-610253-07130Simmering Produktion
45 16-166101-07130Schalter Produktion
46 16-610250-07130Federhalter
47 16-166110-07131Halterung Produktion
48 16-610251-07130Feder
49 16-900605-00008Scheibe
50 16-900242-04008Schraube
51 16-610252-07130Haltestift
Rasen
Bankeinzug, MasterCard, Visa, American Express, PayPal, Nachnahme, Vorauskasse, Sofortüberweisung
Datenschutzerklärung Impressum