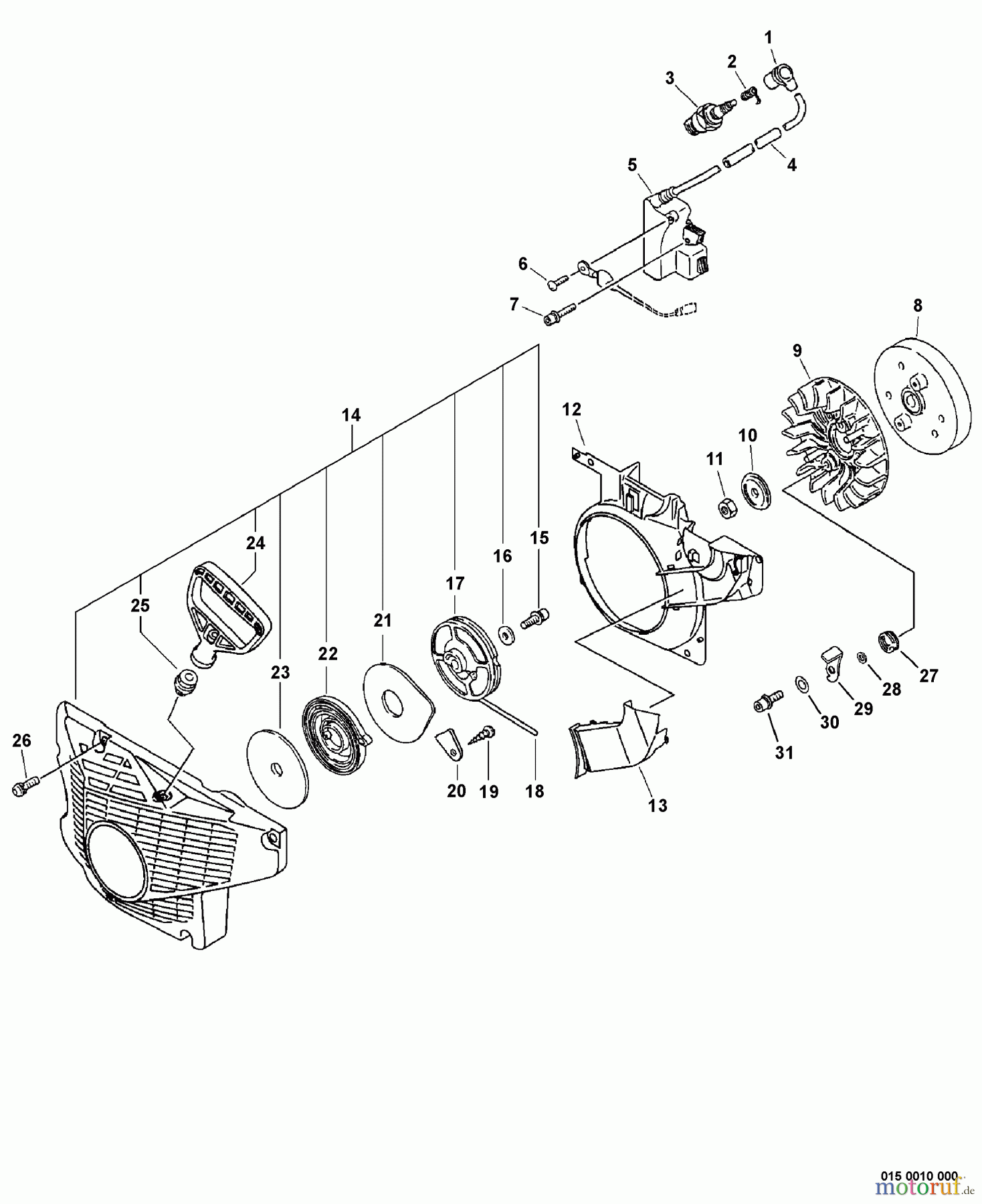
Echo QV-680 - Quick Vent Chain Saw, S/N: C03403001001 - C03403999999 Starter, Ignition, Flywheel Ersatzteile
Starter, Ignition, Flywheel QV-680 - Echo Quick Vent Chain Saw, S/N: C03403001001 - C03403999999

Hier finden Sie die Ersatzteilzeichnung für Echo Rettungssäge QV-680 - Echo Quick Vent Chain Saw, S/N: C03403001001 - C03403999999 Starter, Ignition, Flywheel. Wählen Sie das benötigte Ersatzteil aus der Ersatzteilliste Ihres Echo Gerätes aus und bestellen Sie einfach online. Viele Echo Ersatzteile halten wir ständig in unserem Lager für Sie bereit.


Qualitätsmanagement
Informieren Sie uns, wenn Sie einen Fehler gefunden haben.



