Einstellungen Computer

Echo QV-6700 Engine, Crankcase, Cylinder, Piston Ersatzteile

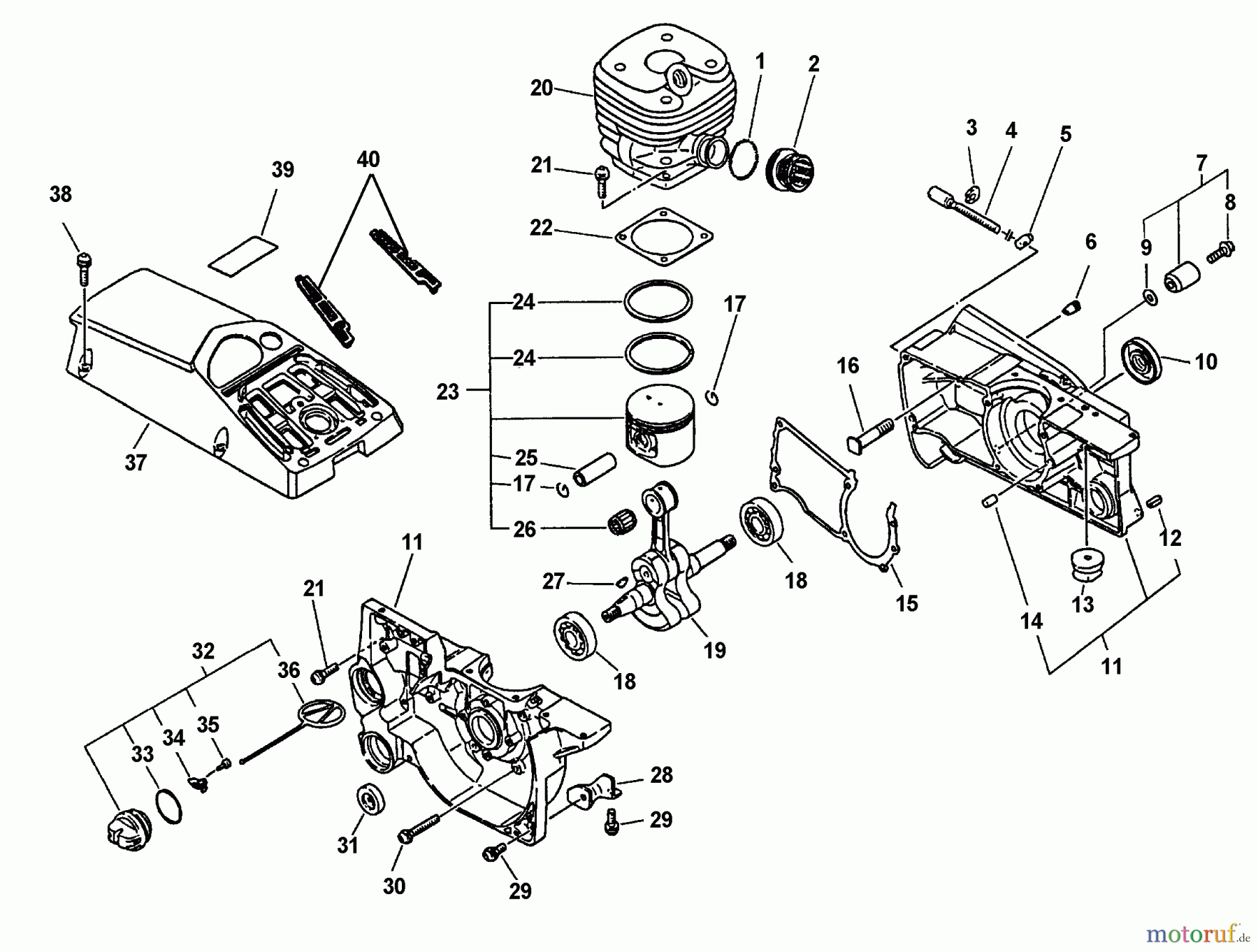
Engine, Crankcase, Cylinder, Piston QV-6700

 Echo Rettungssäge QV-6700  Engine, Crankcase, Cylinder, Piston

Hier finden Sie die Ersatzteilzeichnung für Echo Rettungssäge QV-6700 Engine, Crankcase, Cylinder, Piston. Wählen Sie das benötigte Ersatzteil aus der Ersatzteilliste Ihres Echo Gerätes aus und bestellen Sie einfach online. Viele Echo Ersatzteile halten wir ständig in unserem Lager für Sie bereit.

Rasen
Bankeinzug, MasterCard, Visa, American Express, PayPal, Nachnahme, Vorauskasse, Sofortüberweisung
Datenschutzerklärung Impressum
Qualitätsmanagement
Informieren Sie uns, wenn Sie einen Fehler gefunden haben.