Einstellungen Computer

Echo PPF-2100 - Pole Saw / Pruner, S/N: 001001 - 506099 (Type 1E) Crankcase, Engine, Engine Cover, Fan Case Ersatzteile

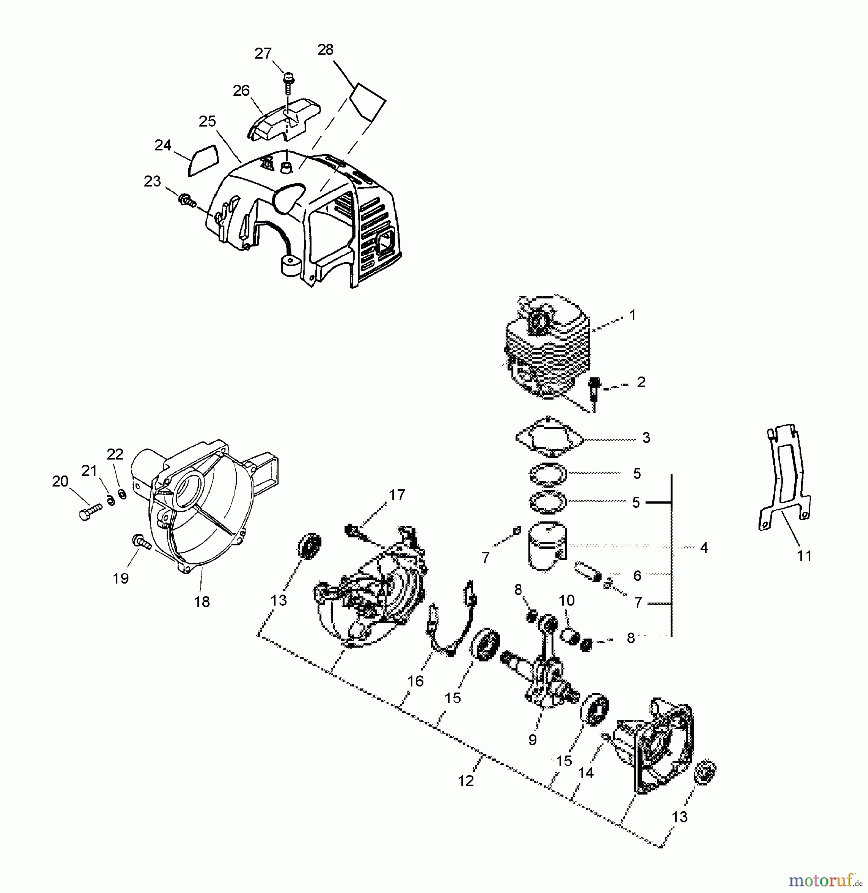
Crankcase, Engine, Engine Cover, Fan Case PPF-2100 - Echo Pole Saw / Pruner, S/N: 001001 - 506099 (Type 1E)

 Echo Hochentaster PPF-2100 - Echo Pole Saw / Pruner, S/N: 001001 - 506099 (Type 1E) Crankcase, Engine, Engine Cover, Fan Case

Hier finden Sie die Ersatzteilzeichnung für Echo Hochentaster PPF-2100 - Echo Pole Saw / Pruner, S/N: 001001 - 506099 (Type 1E) Crankcase, Engine, Engine Cover, Fan Case. Wählen Sie das benötigte Ersatzteil aus der Ersatzteilliste Ihres Echo Gerätes aus und bestellen Sie einfach online. Viele Echo Ersatzteile halten wir ständig in unserem Lager für Sie bereit.

Rasen
Bankeinzug, MasterCard, Visa, American Express, PayPal, Nachnahme, Vorauskasse, Sofortüberweisung
Datenschutzerklärung Impressum
Qualitätsmanagement
Informieren Sie uns, wenn Sie einen Fehler gefunden haben.