Einstellungen Computer

Echo CS-6700 - Chainsaw Carburetor Ersatzteile

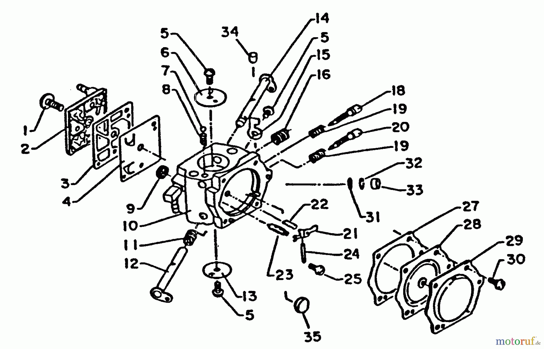
Carburetor CS-6700 - Echo Chainsaw

 Echo Sägen, Kettensägen CS-6700 - Echo Chainsaw Carburetor

Hier finden Sie die Ersatzteilzeichnung für Echo Sägen, Kettensägen CS-6700 - Echo Chainsaw Carburetor. Wählen Sie das benötigte Ersatzteil aus der Ersatzteilliste Ihres Echo Gerätes aus und bestellen Sie einfach online. Viele Echo Ersatzteile halten wir ständig in unserem Lager für Sie bereit.

Rasen
Bankeinzug, MasterCard, Visa, American Express, PayPal, Nachnahme, Vorauskasse, Sofortüberweisung
Datenschutzerklärung Impressum
Qualitätsmanagement
Informieren Sie uns, wenn Sie einen Fehler gefunden haben.