Echo CS-60S - Chainsaw, S/N: 001001 - 0059500 Air Cleaner Ersatzteile
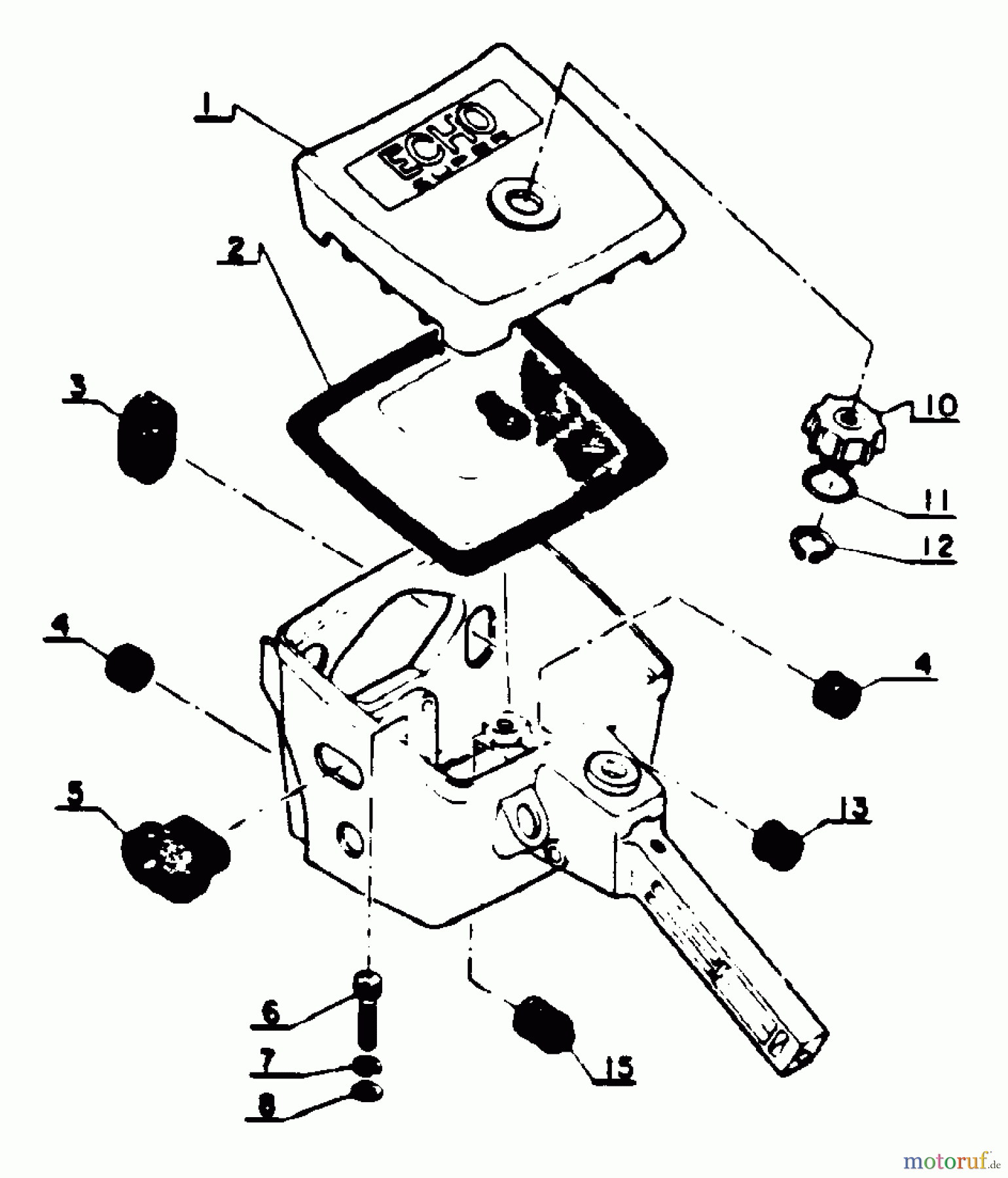
Air Cleaner CS-60S - Echo Chainsaw, S/N: 001001 - 0059500

Hier finden Sie die Ersatzteilzeichnung für Echo Sägen, Kettensägen CS-60S - Echo Chainsaw, S/N: 001001 - 0059500 Air Cleaner. Wählen Sie das benötigte Ersatzteil aus der Ersatzteilliste Ihres Echo Gerätes aus und bestellen Sie einfach online. Viele Echo Ersatzteile halten wir ständig in unserem Lager für Sie bereit.


Qualitätsmanagement
Informieren Sie uns, wenn Sie einen Fehler gefunden haben.

