Echo CS-315 - Chainsaw, S/N: 00000 - 058000 Unit Complete Ersatzteile
Unit Complete CS-315 - Echo Chainsaw, S/N: 00000 - 058000

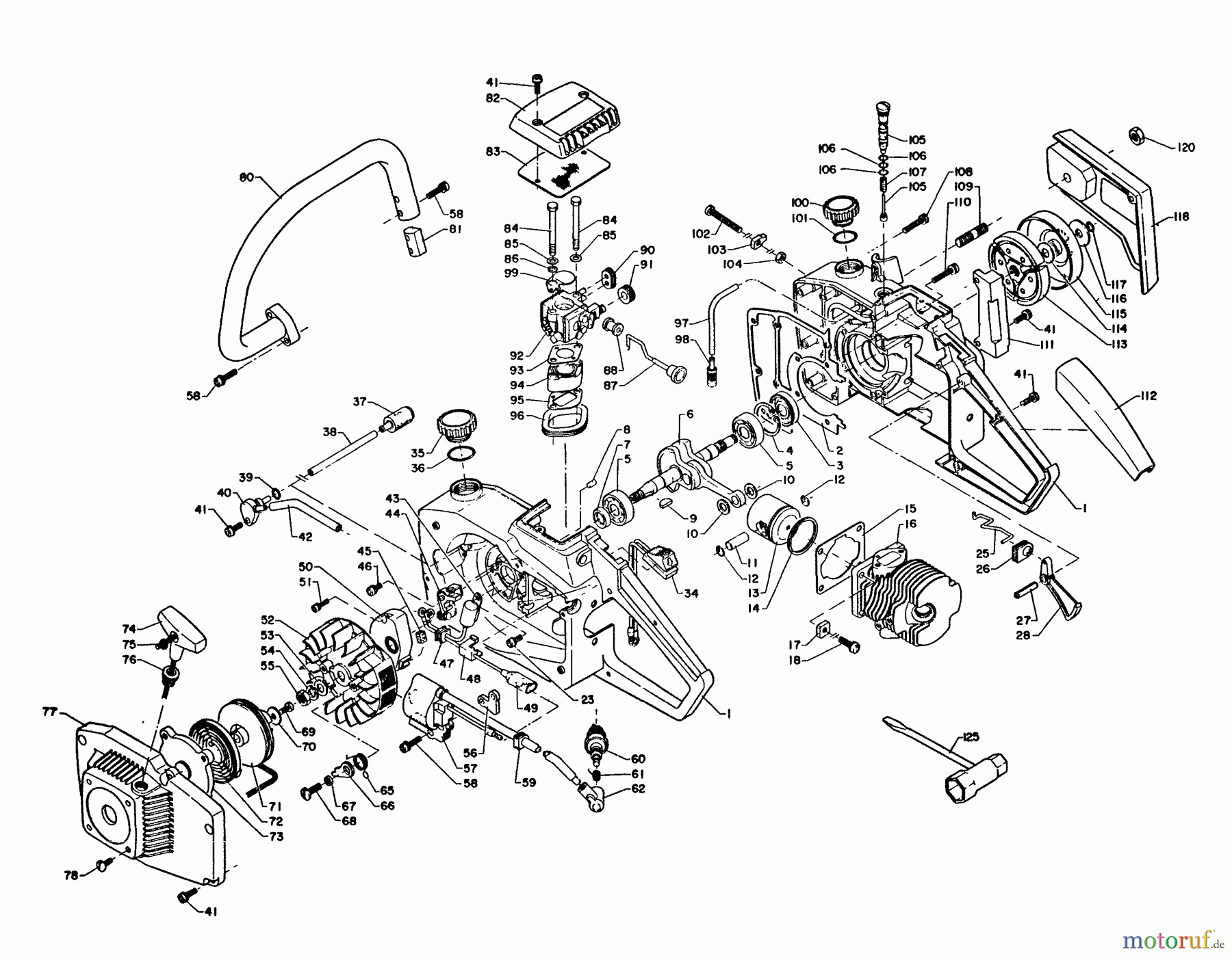
Hier finden Sie die Ersatzteilzeichnung für Echo Sägen, Kettensägen CS-315 - Echo Chainsaw, S/N: 00000 - 058000 Unit Complete. Wählen Sie das benötigte Ersatzteil aus der Ersatzteilliste Ihres Echo Gerätes aus und bestellen Sie einfach online. Viele Echo Ersatzteile halten wir ständig in unserem Lager für Sie bereit.





