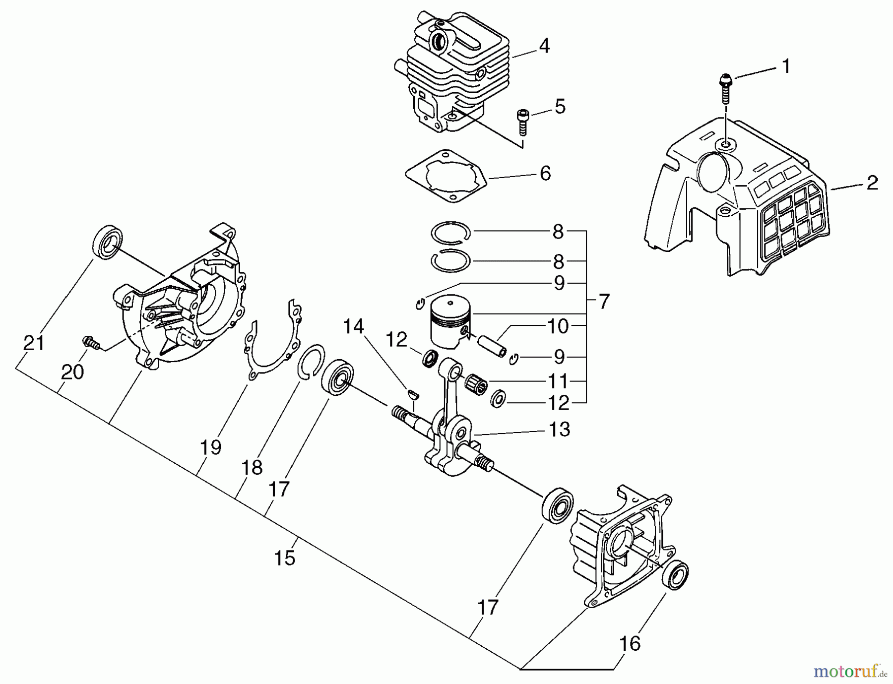
Echo SHP-800 - Shaft Hedge Trimmer, Crankcase, Cylinder, Piston Ersatzteile
Crankcase, Cylinder, Piston SHP-800 - Echo Shaft Hedge Trimmer,

Hier finden Sie die Ersatzteilzeichnung für Echo Heckenscheren SHP-800 - Echo Shaft Hedge Trimmer, Crankcase, Cylinder, Piston. Wählen Sie das benötigte Ersatzteil aus der Ersatzteilliste Ihres Echo Gerätes aus und bestellen Sie einfach online. Viele Echo Ersatzteile halten wir ständig in unserem Lager für Sie bereit.




