Echo SHC-2100 - Shaft Hedge Trimmer (Type 1E) Engine, Crankcase, Ignition, Cylinder Cover Ersatzteile
Engine, Crankcase, Ignition, Cylinder Cover SHC-2100 - Echo Shaft Hedge Trimmer (Type 1E)

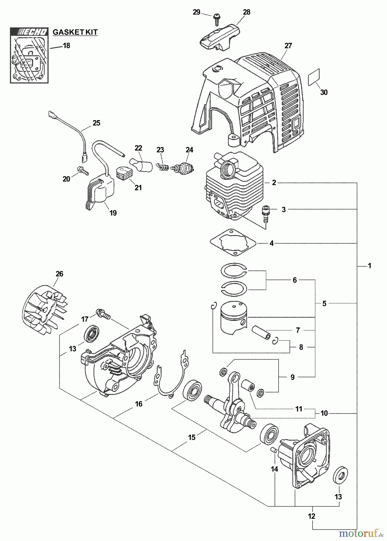
Hier finden Sie die Ersatzteilzeichnung für Echo Heckenscheren SHC-2100 - Echo Shaft Hedge Trimmer (Type 1E) Engine, Crankcase, Ignition, Cylinder Cover. Wählen Sie das benötigte Ersatzteil aus der Ersatzteilliste Ihres Echo Gerätes aus und bestellen Sie einfach online. Viele Echo Ersatzteile halten wir ständig in unserem Lager für Sie bereit.




