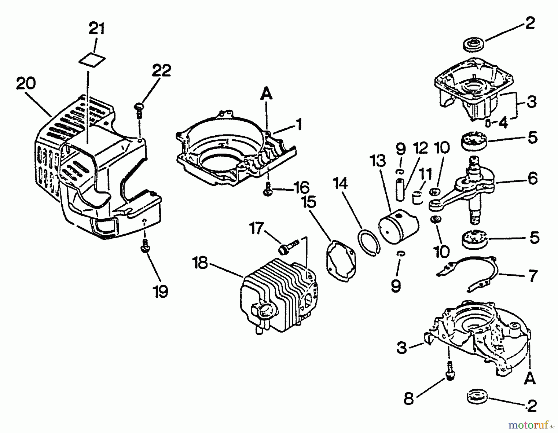
Echo HC-1001 - Hedge Trimmer, S/N: 017001 - 024000 Engine, Crankcase, Fan Housing, Cover Ersatzteile
Engine, Crankcase, Fan Housing, Cover HC-1001 - Echo Hedge Trimmer, S/N: 017001 - 024000

Hier finden Sie die Ersatzteilzeichnung für Echo Heckenscheren HC-1001 - Echo Hedge Trimmer, S/N: 017001 - 024000 Engine, Crankcase, Fan Housing, Cover. Wählen Sie das benötigte Ersatzteil aus der Ersatzteilliste Ihres Echo Gerätes aus und bestellen Sie einfach online. Viele Echo Ersatzteile halten wir ständig in unserem Lager für Sie bereit.


Qualitätsmanagement
Informieren Sie uns, wenn Sie einen Fehler gefunden haben.


