Echo ES-211 - Shredder/Vacuum, S/N: 02001001 - 02999999 Engine, Short Block, Ignition Ersatzteile
Engine, Short Block, Ignition ES-211 - Echo Shredder/Vacuum, S/N: 02001001 - 02999999

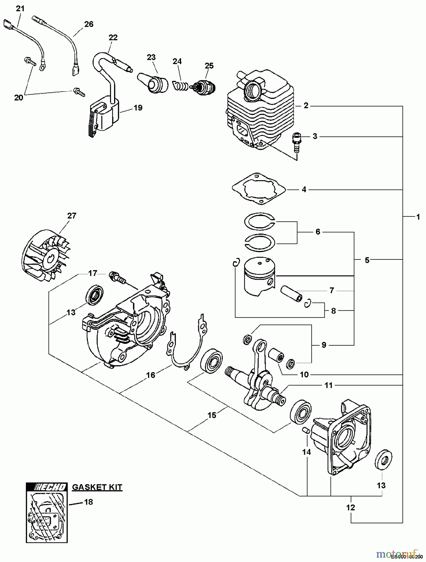
Hier finden Sie die Ersatzteilzeichnung für Echo Bläser / Sauger / Häcksler / Mulchgeräte ES-211 - Echo Shredder/Vacuum, S/N: 02001001 - 02999999 Engine, Short Block, Ignition. Wählen Sie das benötigte Ersatzteil aus der Ersatzteilliste Ihres Echo Gerätes aus und bestellen Sie einfach online. Viele Echo Ersatzteile halten wir ständig in unserem Lager für Sie bereit.


Qualitätsmanagement
Informieren Sie uns, wenn Sie einen Fehler gefunden haben.


