Arbeitsweise der Zündanlage
Wie arbeitet eine Zündanlage?
MAGNETZÜNDUNG
Die Magnetzündung besteht aus einem Stator, der einen Zündanker, eine Zündspule, Unterbrecherkontakte und Kondensator enthält und einem Dauermagneten, der im Schwungrad des Motors eingegossen ist. Die Zündspule besteht aus einer Primär - und einer Sekundärwicklung. Die Primärwicklung hat verhältnismäßig niedrige Spannung (200-300 Volt) und besteht aus ca. 150 Wicklungen aus verhältnismäßig dickem Draht um den Eisenkern. Ein Ende der Primärwicklung ist mit dem isolierten Unterbrecherkontakt, das andere Ende mit der Masse des Stators verbunden.
Die Sekundärwicklung besteht aus extrem dünnem Draht, der mit zahlreichen Windungen (ca. 10.000) über die Primärwicklung gewickelt ist. Ein Ende hat Verbindung mit der Zündkerze, das andere mit der Masse des Stators.
Die Zündspule wird wie ein Transformator benutzt, um die niedrige Spannung der Primärwicklung in eine hohe Spannung (10.000 bis 20.000 Volt) zu transformieren, die in der Lage ist, den Elektrodenabstand an der Zündkerze zu überspringen.

UNTERBRECHERKONTAKTE
Die Unterbrecherkontakte bestehen aus einem isolierten beweglichen Teil (Unterbrecherhebel), der mit dem Primärkabel der Zündspule verbunden ist, und einem festen Teil (Amboss), der mit der Masse des Stators verbunden ist.
KONDENSATOR
Der Kondensator arbeitet als ein elektrischer Schockabsorber, um Funkenbildung zwischen den Unterbrecherkontakten zu unterdrücken, wenn sich die Kontakte öffnen. Funkenbildung würde die Spannung an der Zündkerze vermindern, die Kontakte verbrennen und so deren Lebensdauer verkürzen.
ARBEITSWEISE DER TECUMSEH-MAGNETZÜNDUNG
Wenn sich das Schwungrad dreht, passiert der darin eingegossene Magnet die Zündspule, die am Statur montiert ist. Wenn der Nordpol des Magnets den mittleren Teil des Zündankers erreicht, wird ein Magnetfeld zwischen dem Zündanker und dem Südpol des eingegossenen Magnets aufgebaut. Dies verursacht einen Stromfluss in der Primärwicklung, da die Unterbrecherkontakte geschlossen sind.

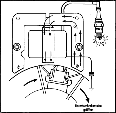
Unterbrecherkontakte geschlossen
Wenn sich das Schwungrad weiterdreht, erreicht der Nordpol des im Schwungrad eingegossenen Magnets den letzten Teil des Zündankers. Das Magnetfeld durch den mittleren Teil des Zündankers kehrt sich um und erzeugt auf diese Weise einen starken Wechsel im Magnetfeld und einen hohen Stromfluss in der Primärwicklung.
In diesem Augenblick öffnen sich die Unterbrecherkontakte und der Stromfluss in der Primärwicklung wird unterbrochen. Dieser Wechsel im Stromfluss bewirkt eine Spannung in der Primärwicklung, die eine hohe Spannung in der Sekundärwicklung induziert. Die Spannung wird über das Zündkabel zur Zündkerze geleitet, überspringt den Abstand zwischen den Zündkerzenelektroden und erzeugt so den Funken, der das Kraftstoff-LuftGemisch entzündet .

Wenn Sie unsicher sind, welche Artikel Sie zur Reparatur benötigen, können Sie uns gerne einen Rechercheauftrag erteilen. Wir versuchen dann die benötigten Artikel zu ermitteln. Wenn uns dies gelingt, erhalten Sie umgehend ein Angebot und können die benötigten Ersatzteile dann einfach online über uns bestellen. Denn: Ersatzteile gibt es bei uns!





