Zurück zu
motoruf
Warenkorb

Ersatzteillisten für Toro Roth / TORO oberer Abdeckung (Fortsetzung)




Ersatzteilliste


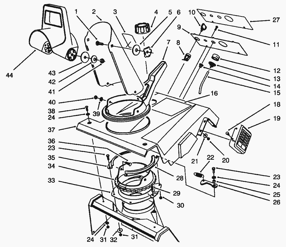
Pos.BezeichnungErsatzteilnummer
23Schraube321-4
24scheibe3256-22
25Buechse55-9370
26Hebel80-4610
27*** keine Bezeichnung vorhanden88-1030
*** keine Bezeichnung vorhanden88-1050
28Retainer-Chute Ring L.H.71-4980
29Schraube46-8092
30STOPMUTTER3296-56
31MUTTER3296-42
32scheibe3256-22
33Support-Chute Ring55-8921
34Drehkranz71-4950
35Retainer-Chute Ring R.H.71-4990
36Schraube3230-16
37Abdeckung O.T.80-4810
38Screw-Phillips3250-32
39Scheibe3256-70
40Mutter32149-1
41MUTTER3296-29
42Tellerscheibe3290-456
43Scheibe3256-68
44Leitblech56-2680
Gebrauchsanweisungen
Toro
Impressum
(C) by motoruf