Zurück zu
>
Roth / TORO
>
Handgeräte
>
Rasenmäher
>
2-Takt Radantrieb
>
237/22045
>
210000001
>
Zündung
Ersatzteillisten für Toro Roth / TORO Zündung
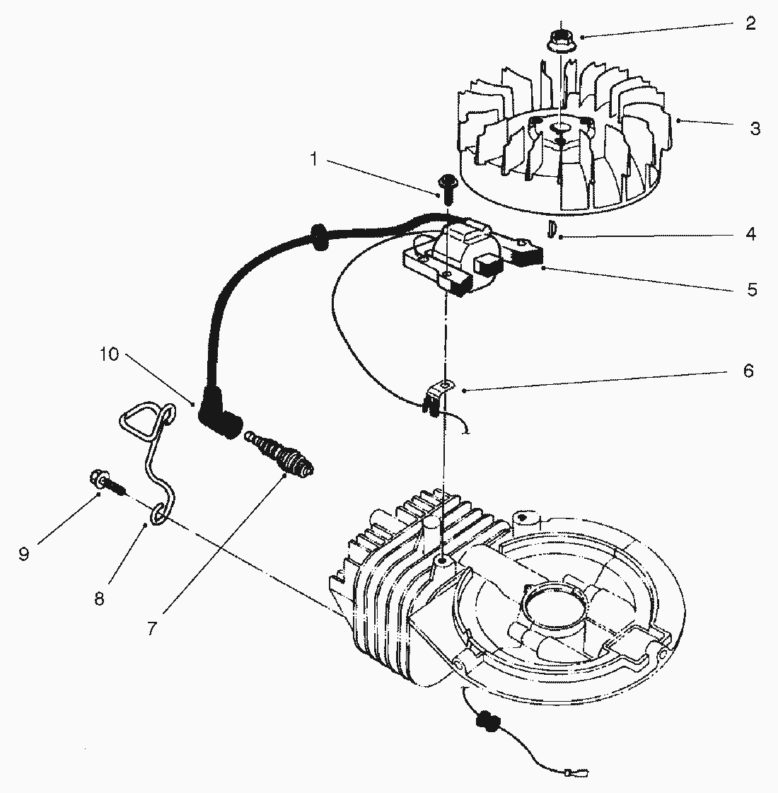
Pos.
Bezeichnung
Ersatzteilnummer
1
SCHRAUBE
81-5680
2
MUTTER
81-1330
3
SCHWUNGSCHEIBE
81-2810
4
KEIL
81-2370
5
ZUENDSPULE
81-2820
6
KLEMME
81-1480
7
ZUENDKERZE
81-0181
8
Kerzenschutz
81-2120
9
Schraube
81-2350
10
ZUENDKERZENSTECKER
81-1500
11
SCHWUNGRADABZIEHER TORO
41-7650
Gebrauchsanweisungen
Toro
Roth / TORO
Aufsitzmäher
Handgeräte
Kehrmaschinen
Schneefräsen
Sauger/Bläser
Rasenmäher
Grasfangvorrichtungen
4-Takt Radantrieb
4-Takt
2-Takt Radantrieb
295/26643
295/26643 B
295/26640 BC
295/26640 B
287/20916B
277
255/22700 BC
255/22700
239
237/22045
210000001
Vergaser
Starter Nr. 81-2030
Regler
Zündung
Auspuff
Kurbelgehäuse & Kurbelwelle
Motor & Luftfilter
Fangkorb Nr. 99-2535
Hinterrad & Reifen Nr. 74-1720
Getriebegehäuse & Hinterrad
Betätigungen & Paneele
Holm & Halter
Kraftstofftank & Halter
Messerbremse Kupplung
Getriebegehäuse Nr. 74-1861
Vorderrad und Reifen
Gehäuse Nr. 98-7144
Gehäuse
9900001
8900001
7900001
237/22045 B
237/22044 BC
237/22036
237/22035
234
224
222/16212 WG
2-Takt
Elektro
Akku
Robin
Impressum
(C) by motoruf