Zurück zu
>
Roth / TORO
>
Aufsitzmäher
>
Traktor
>
520 Lxi
>
521/73580
>
9900001
>
Wassergekühlter Benzinmotor
Ersatzteillisten für Toro Roth / TORO Wassergekühlter Benzinmotor
Pos.
Bezeichnung
Ersatzteilnummer
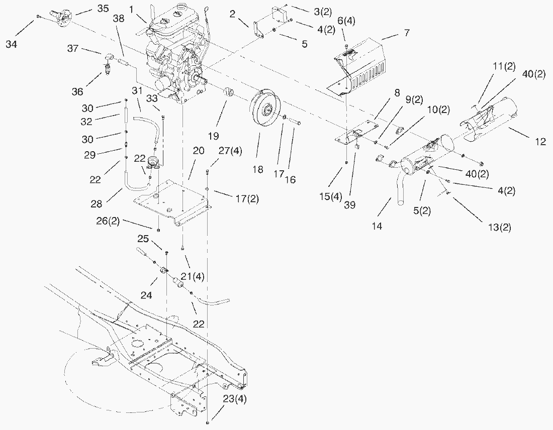
1
Engine Service ASM
98-8063
2
Bracket-Kawasaki Module
95-4063-03
3
Schraube
32144-4
4
Screw-HH
33114-016
5
Federring
3253-4
6
Schraube
322-3
7
Shroud-Muffler
94-7523-03
8
Support-Muffler
94-7631-03
9
Federring
3253-5
10
Schraube
323-6
11
Mutter
32152-4
12
Auspuffschutz
95-3990
13
SCHRAUBE
321-3
14
Auspuff
94-7557
15
Mutter
32153-3
16
Schraube
94-7974
17
Scheibe
3256-24
18
Antriebskupplung
94-2190
19
Kupplungsbuechse
94-2068
20
Plate-Engine
94-7848-03
21
Schraube
95-4184
22
Schlauchschelle
95-4271
23
Mutter
3296-39
24
Klemme
2412-104
25
Schraube
32144-70
26
Stopmutter
3296-8
27
Schraube
323-7
28
Benzinschlauch
95-4276
29
Fitting-Barbed Adapter
95-4061
30
Klemme
2412-98
31
Benzinschlauch
95-4275
32
Benzinschlauch
95-4277
33
Schraube
321-5
34
Schraube
95-4232
35
Motormitnehmernabe
94-2066
36
Ventil
92-6877
37
Elbow-90<12>
2811-16
38
Nipple-Pipe
289-51
39
Gummipuffer
98-5023
40
scheibe
3256-22
Gebrauchsanweisungen
Toro
Roth / TORO
Aufsitzmäher
Traktor
264-6
246 HE
244-5
212-H
212-5
17-44 HXLE
16-44 HXL
16-38 HXL
16-38 XLE
15-44 HXL
15-38 HXL
14-38 HXL
14-38 XL
13-38 HXL
13-38 XL
13-32 XLE
12-38 HXL
12-38 XL
12-32 XL
264 H
265 H
267 H
268 H
270 H
520 xi
520 Lxi
521/73546
521/73580
9900001
Stoßfänger & Haube Halterung
Lenksäule & Kraftstofftank HalterungS
'Attach a matic' und Anhängung
Servolenkung unten
Servolenkung und Verstellung
Befestigungen, Spindel, & Vorderachse
Hydraulik Getriebeachse
Hydraulik Getriebeachse (Fortsetzung)
Getriebe
Antriebswelle
unterer Hydro-Aushebung
oberer Hydro-Aushebung
Haube & Scheinwerfer
Grill & Seitenverkleidung
Armaturenbrett
Kotflügel, Fußauflage & Sitz
Kotflügel, Fußauflage & Sitz (Fortsetzung)
Lenkung hinten
Umschaltung
Feststellbremse
Hydraulikbetätigungen
Lenkung vorne
Feststellbremse unten
Tempomat Betätigung
Kotflügel & Kraftstoffsystem
Rad
Wassergekühlter Benzinmotor
Wassergekühlter Benzinmotor (Fortsetzung)
20 PS Elektrik
Kurbelgehäuse
Kolben & Kurbelwelle
Ventil/Nockenwelle
Ölpumpe & Filter
Wasserpumpe
Elektrik
Regler
Vergaser
Luftfilter
Kraftstoffpumpe & Filter
Starter
200000001
210000001
523 Dxi
Rider
Mähwerke
Zubehör
Handgeräte
Robin
Impressum
(C) by motoruf