Zurück zu
motoruf
Warenkorb

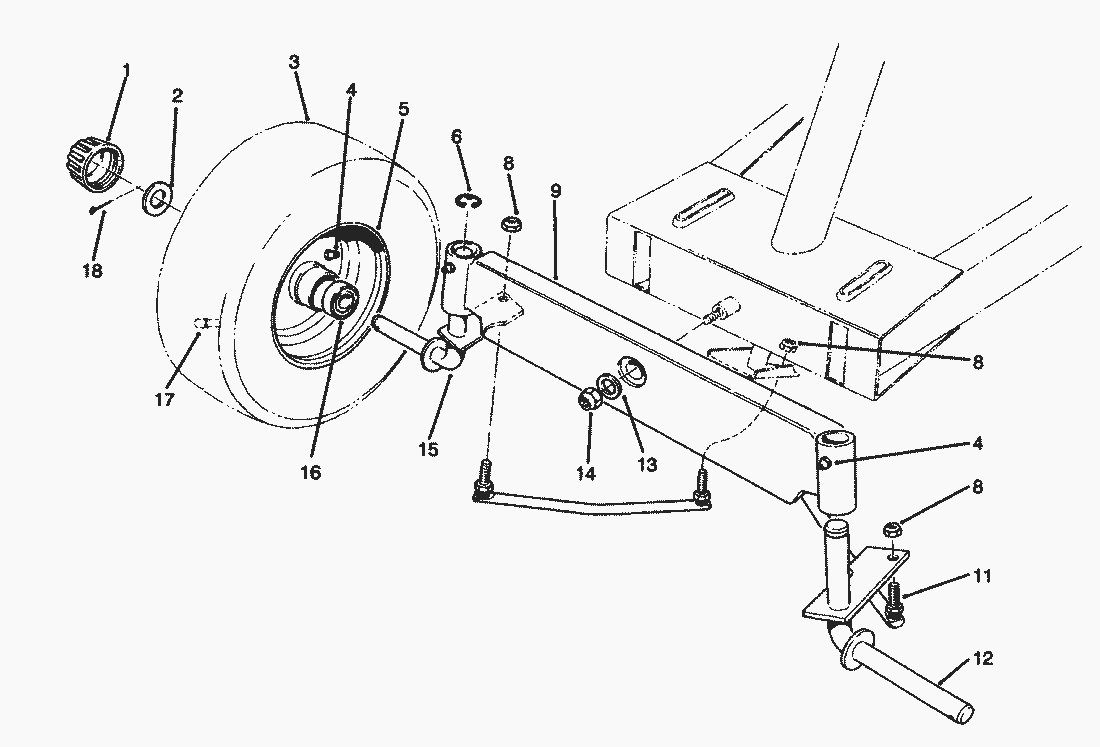
Ersatzteillisten für Toro Roth / TORO Vorderachse




Ersatzteilliste


Pos.BezeichnungErsatzteilnummer
1Abdeckung61-9780
2Scheibe28-2480
3Reifen 11x4.00-5231-116
4Fitting-Grease302-67
5Felge217-80
6Seegerring32151-48
8Mutter3296-4
9Axle-Front67-0990-01
11Spurstange67-0880
12Achsschenkel L.67-0810-01
13Scheibe3256-26
14Stopmutter3296-25
15Achsschenkel R.67-0800-01
16Bearing251-210
17Ventil232-27
18Splint3272-12
Gebrauchsanweisungen
Toro
Impressum
(C) by motoruf