Zurück zu
>
Roth / TORO
>
Aufsitzmäher
>
Traktor
>
212-H
>
303/R2-12OE02
>
2000001
>
Vorderachse & Lenkung
Ersatzteillisten für Toro Roth / TORO Vorderachse & Lenkung
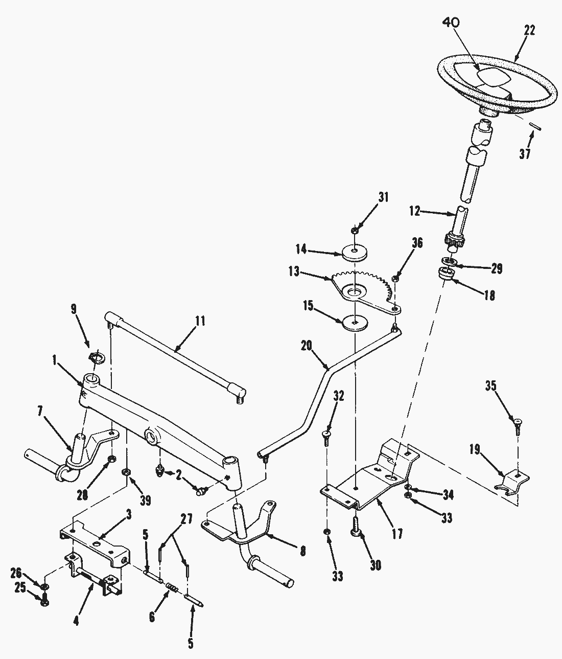
Pos.
Bezeichnung
Ersatzteilnummer
1
Vorderachse
114385
2
Schmiernippel
302-5
3
Achsaufhaengung
112847
4
Halterung
113044
5
Bolzen
113030
6
Feder
111531
7
Radachse Rechts
111406
8
Radachse Links
111409
9
Ring
32120-93
11
Spurstange
112981
12
Welle
79-5660
13
Zahnscheibe
111417
14
Platte
111418
15
Platte
111419
17
Bracket-Steering Gear
78-1991
Bracket-Steering Gear (212-H)
78-3221
18
Buechse
110391
19
Haltelasche
111422
20
Spurstange
111423
22
Lenkrad
78-3100
25
Schraube
322-4
26
Federring
3253-4
27
Spin-Spirol
32121-103
28
Nut-Lock
915001
29
Scheibe (5)
3765
30
Schraube
3231-28
31
Nut-Lock
108881
32
Bolzen
3230-22
33
Nut-Lock
3229-29
34
Scheibe
3256-23
35
Schraube
3230-2
36
Nut-Lock
915002
37
Spannstift
32121-111
39
Scheibe (5)
2844
40
Insert-Steering Wheel
78-0370
Gebrauchsanweisungen
Toro
Roth / TORO
Aufsitzmäher
Traktor
264-6
246 HE
244-5
212-H
303/R2-12OE02
2000001
Schilder & Verschiedenes
Motor Vergaser
Motor Starter
Motor Schwungrad & Abdeckung
Motor Regler Gestänge & Abdeckung
Motor Luftfilter
Motor Zündung
Motor Zylinderkopf & Ventile
Motor Ölwanne & Pumpe
Motor Kurbelwelle & Nockenwelle
Motor Zylinderblock
Motor & Auspuff
Motor-Riemenscheibe & Zapfwellenkupplung
Bremse & Spannrolle (212-H)
Getriebegestänge (212-H)
Bürsten Zapfwelle (212-H)
Getriebe (210-H & 212-H)
Bremse & Spannrolle (212-5)
Bürsten Zapfwelle (212-5)
Peerless Getriebe Modell-Nr. 930-020* (212-5)
Getriebe (212-5)
Rad & Reifen
Vorderachse & Lenkung
Elektrik
Rahmen
Sitz
Rahmen
303/R2-12OE01
212-5
17-44 HXLE
16-44 HXL
16-38 HXL
16-38 XLE
15-44 HXL
15-38 HXL
14-38 HXL
14-38 XL
13-38 HXL
13-38 XL
13-32 XLE
12-38 HXL
12-38 XL
12-32 XL
264 H
265 H
267 H
268 H
270 H
520 xi
520 Lxi
523 Dxi
Rider
Mähwerke
Zubehör
Handgeräte
Robin
Impressum
(C) by motoruf