Zurück zu
>
Roth / TORO
>
Handgeräte
>
Schneefräsen
>
zweistufig
>
824
>
612/38080
>
2000001
>
Trommel
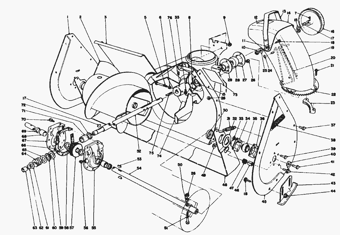
Ersatzteillisten für Toro Roth / TORO Trommel
Pos.
Bezeichnung
Ersatzteilnummer
1
Seitenplatte Re.
43-7440
2
Auger Right
26-6140
Auger Left
26-6150
3
Raeumgehaeuse
40-8120
5
Schraube
321-44
6
Distanzstueck
66-8010
7
Schraube
3242-4
8
Schraube
3230-1
9
Mutter
3296-39
10
Locknut
32152-2
11
Scheibe
20-4320
12
Decal-Discharge
63-3760
13
Handle Deflector
20-1410
14
Auswurfschutz
11-9379
15
Scheibe
3-0737
16
Riemenscheibe
20-1310
17
Keil
3257-23
18
Schraube
3231-27
19
Auswurfkamin
56-2450
20
Auswurfschutz
54-9770
21
Schraube
27-0210
22
Swivel Gear Chute
43-7470
23
Fuehrungsstueck
40-8150
24
Mutter
3290-326
25
Scheibe
3290-340
26
MUTTER
3296-29
27
28
Lager
63-3450
29
30
Positioner-Scraper Blade
26-6400
31
Feder
5-7290
32
Distanzscheibe
20-0300
33
Stopmutter
3296-8
Gebrauchsanweisungen
Toro
Roth / TORO
Aufsitzmäher
Handgeräte
Kehrmaschinen
Schneefräsen
Zubehör
zweistufig
1332 PowerShift
1232 PowerShift
1132 PowerShift
1132
1028 PowerShift
924 PowerShift
828 PowerShift
824 PowerShift
824 XL
824
612/38080
8000001
7000001
6000001
5000001
4000001
3900001
2000001
Rücklaufstarter Nr. 590630
Motor Tecumseh (Modell-Nr. HM80-155438 P)
Vergaser Nr. 632334A
Elektrostart Nr. 37-4810
Beleuchtungssatz Nr. 54-9822 (wahlw.)
Wetterschutz Modell 42-3380 (wahlw.)
Holm (Fortsetzung)
Holm
Motor
Antrieb (Fortsetzung)
Antrieb
Trommel (Fortsetzung)
Trommel
724
624 PowerShift
622
521
3521
einstufig
Sauger/Bläser
Rasenmäher
Robin
Impressum
(C) by motoruf