Zurück zu
motoruf
Warenkorb

Ersatzteillisten für Toro Roth / TORO Tempomat Betätigung




Ersatzteilliste


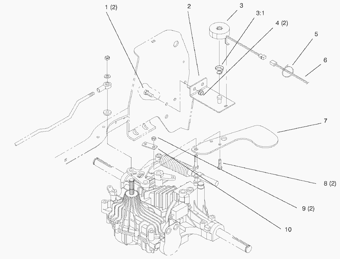
Pos.BezeichnungErsatzteilnummer
1Schraube323-6
2Cruise Bracket (Only On: 72103)93-0512-03
3Magnet Assembly (INCL 7: Only On: 72103)93-4366
31Feder93-6601
4Mutter3296-39
6Kabelbaum93-4364
7Arm-Cruise (Only On: 72103)93-0511
8Schraube322-5
9MUTTER3296-29
10Clamp-Cruise (Only On: 72103)93-0515
Gebrauchsanweisungen
Toro
Impressum
(C) by motoruf