Zurück zu
>
Roth / TORO
>
Handgeräte
>
Rasenmäher
>
4-Takt
>
423
>
240000
>
Teileliste
Ersatzteillisten für Toro Roth / TORO Teileliste
Pos.
Bezeichnung
Ersatzteilnummer
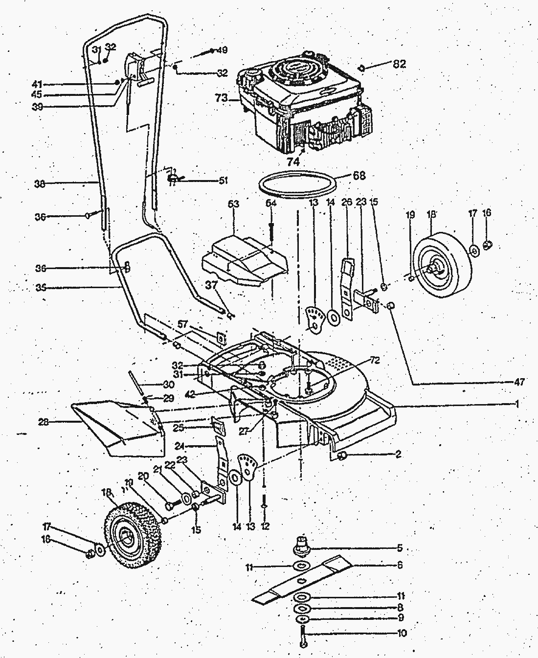
1
MAEHERGEHAEUSE
17663
2
STOPMUTTER
10988
5
Messernabe
19076
6
MESSER
17647
8
DRUCKSCHEIBE
13001
9
SPANNSCHEIBE
07593
10
Messerschraube
17777
11
REIBSCHEIBE
07189
12
SCHRAUBE
17754
13
KULISSENBLECH
17661
14
TELLERFEDER
17708
15
ABDECKSCHEIBE
03951
16
STOPMUTTER
10988
17
SCHEIBE
13853
18
RAD
17551
19
Gleitlager
07542
20
SCHRAUBE
02160
21
SCHEIBE
13896
22
BUECHSE
17735
23
*RADAUFHAENGUNG KOMPLETT
17656
24
RADLASCHE
17655
25
GRIFFKNOPF
17646
26
*RADAUFHAENGUNG KOMPLETT
17919
27
SCHRAUBE
09430
28
GRASLEITSTUECK
17591
29
SCHENKELFEDER
17671
30
LAGERSTIFT
17672
31
SCHEIBE
07674
32
HUTMUTTER
13891
35
SCHIEBESTANGE-UNTERTEIL
17921
36
* HOLMVERSCHRAUBUNG KPL.
13474
37
KUNSTSTOFF-STOPFEN
17900
38
SCHIEBESTANGE OT 46 CM
18110
39
SERVICE-BOWDENZUG
18078
41
HUTMUTTER
17903
42
BLECHMUTTER
17752
45
SCHEIBE
17902
47
DISTANZBUECHSE
17736
49
SCHRAUBE
17901
51
KABELBAND
14757
53
ABDECKUNG
17922
54
SCHRAUBE
17703
57
MUTTER
17726
72
FORMSCHRAUBE
12371
73
*** keine Bezeichnung vorhanden
18077
74
KEIL
01436
82
KABELKLEMME
13118
Gebrauchsanweisungen
Toro
Roth / TORO
Aufsitzmäher
Handgeräte
Kehrmaschinen
Schneefräsen
Sauger/Bläser
Rasenmäher
Grasfangvorrichtungen
4-Takt Radantrieb
4-Takt
486/20904 BC
486/20903 B
486/20902 B
486/20901 B
486/20900
478
476
455/20803
455/20803 B
455/20802 BC
455/20801 B
452
438
433
423
350000
340000
330000
320000
310000
300000
290000
280000
270000
260000
250000
240000
Motor
Teileliste
230000
414/20814
414/20805
412
411
408
400
2-Takt Radantrieb
2-Takt
Elektro
Akku
Robin
Impressum
(C) by motoruf