Zurück zu
>
Roth / TORO
>
Handgeräte
>
Rasenmäher
>
2-Takt
>
233
>
310000
>
Teile-Liste-Modell
Ersatzteillisten für Toro Roth / TORO Teile-Liste-Modell
Ersatzteilliste 1
Ersatzteilliste 2
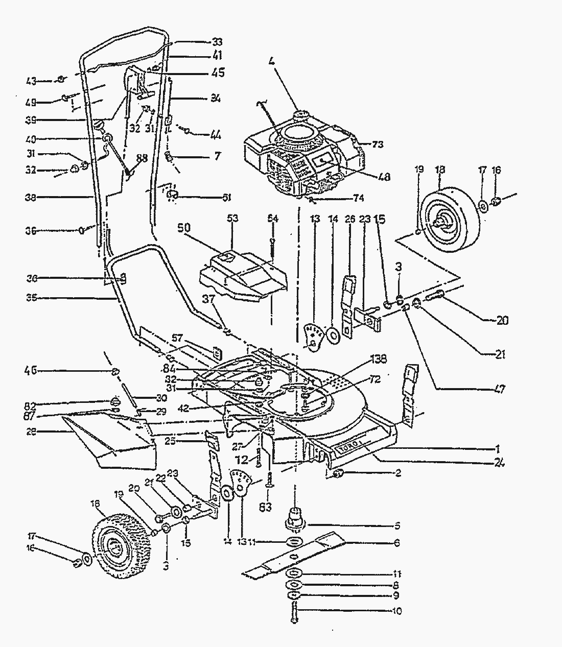
Pos.
Bezeichnung
Ersatzteilnummer
1
MAEHERGEHAEUSE
17663
2
STOPMUTTER
10988
3
DISTANZBUECHSE
20166
4
TANKDECKEL
55-3575
5
MESSERNABE
18420
6
MESSER
17647
7
DRUCKFEDER
19249
8
DRUCKSCHEIBE
13001
9
SPANNSCHEIBE
14558
10
MESSERSCHRAUBE
17778
11
REIBSCHEIBE
07189
12
SCHRAUBE
17754
13
KULISSENBLECH
17661
14
TELLERFEDER
17708
16
STOPMUTTER
10988
17
DISTANZSCHEIBE
05743
18
PROFIRAD, UMBAUKIT
19975
20
SCHRAUBE
18506
21
SCHEIBE
13896
22
BUECHSE
17735
23
RADLASCHE
18786
24
*** keine Bezeichnung vorhanden
17597
25
GRIFFKNOPF
17646
26
STELLHEBEL KOMPL.
18832
27
SCHRAUBE
18404
28
GRASLEITSTUECK SCHWARZ
19812
29
SCHENKELFEDER
17671
30
LAGERBOLZEN
19953
31
SCHEIBE
07674
32
HUTMUTTER
13891
STELLHEBEL KOMPL.
19000
33
SCHALTBUEGEL
19124
34
BOWDENZUG MOTORSTOP
19302
35
SCHIEBESTANGE-UNTERTEIL
17682
36
SCHRAUBE
13746
37
KUNSTSTOFF-STOPFEN
17900
38
SCHIEBESTANGE
19060
39
BOWDENZUG KOMPL.
19139
40
SEILFUEHRUNG
18960
41
HUTMUTTER
13891
42
MUTTER
09711
43
GUMMITUELLE
19235
44
FLACHRUNDSCHRAUBE
17729
45
SCHEIBE
07674
46
ABDECKKAPPE
20148
47
DISTANZBUECHSE
17736
48
KLEBESCHILD - TORO -
14532
49
SCHRAUBE
12912
50
HINWEISSCHILD
19884
51
KLETTBAND
19533
53
ABDECKUNG
17922
54
SCHRAUBE
17703
57
MUTTER
17726
72
SCHRAUBE
17737
73
*** keine Bezeichnung vorhanden
19304
74
PASSFEDER
18964
82
MUTTER
18450
83
SCHRAUBE
18589
84
SICHERUNGSMUTTER
01414
87
SCHEIBE
06179
88
SEILANSCHLAG
2210-316
Pos.
Bezeichnung
Ersatzteilnummer
120
STUETZSTREBE LINKS
17610
121
STUETZSTREBE RECHTS
17611
122
STUETZLAGER
18391
123
BLECHAUSKLEIDUNG
18390
124
FLACHRUNDSCHRAUBE
18591
125
KOPFSCHRAUBE
12836
126
SCHRAUBE
07193
127
SCHRAUBE
07097
128
SCHEIBE
03660
129
SICHERHEITSMUTTER
05338
130
MUTTER
17730
131
ZAHNSCHEIBE
07021
132
STUETZLAGERFLANSCH
18392
133
SICHERUNGSRING
17893
134
BLECHMUTTER
18393
135
SCHRAUBE
18389
136
ANLAGESCHEIBE
11717
137
SCHEIBE
09709
138
FEDERSCHEIBE
17751
TYPENSCHILD TORO 233
19948
HITZESCHUTZSCHILD
19122
PVC KLEBESCHILD -KIPPEN-
11715
KLEBESCHILD - MOTORSTOP
19181
Gebrauchsanweisungen
Toro
Roth / TORO
Aufsitzmäher
Handgeräte
Kehrmaschinen
Schneefräsen
Sauger/Bläser
Rasenmäher
Grasfangvorrichtungen
4-Takt Radantrieb
4-Takt
2-Takt Radantrieb
2-Takt
286/20911 B
286/20910
276
233
350000
340000
330000
320000
310000
Vergaser
Schwungrad
Rücklaufstarter
Regler Komplett
Teilemotor
Auspuff
Motor komplett
Motorstop
Teile-Liste-Modell
300000
290000
280000
270000
260000
250000
240000
230000
223
Elektro
Akku
Robin
Impressum
(C) by motoruf