Zurück zu
>
Roth / TORO
>
Aufsitzmäher
>
Mähwerke
>
107cm Seit
>
318/78231
>
4900001
>
Riemenscheiben & Spannrollenhalter
Ersatzteillisten für Toro Roth / TORO Riemenscheiben & Spannrollenhalter
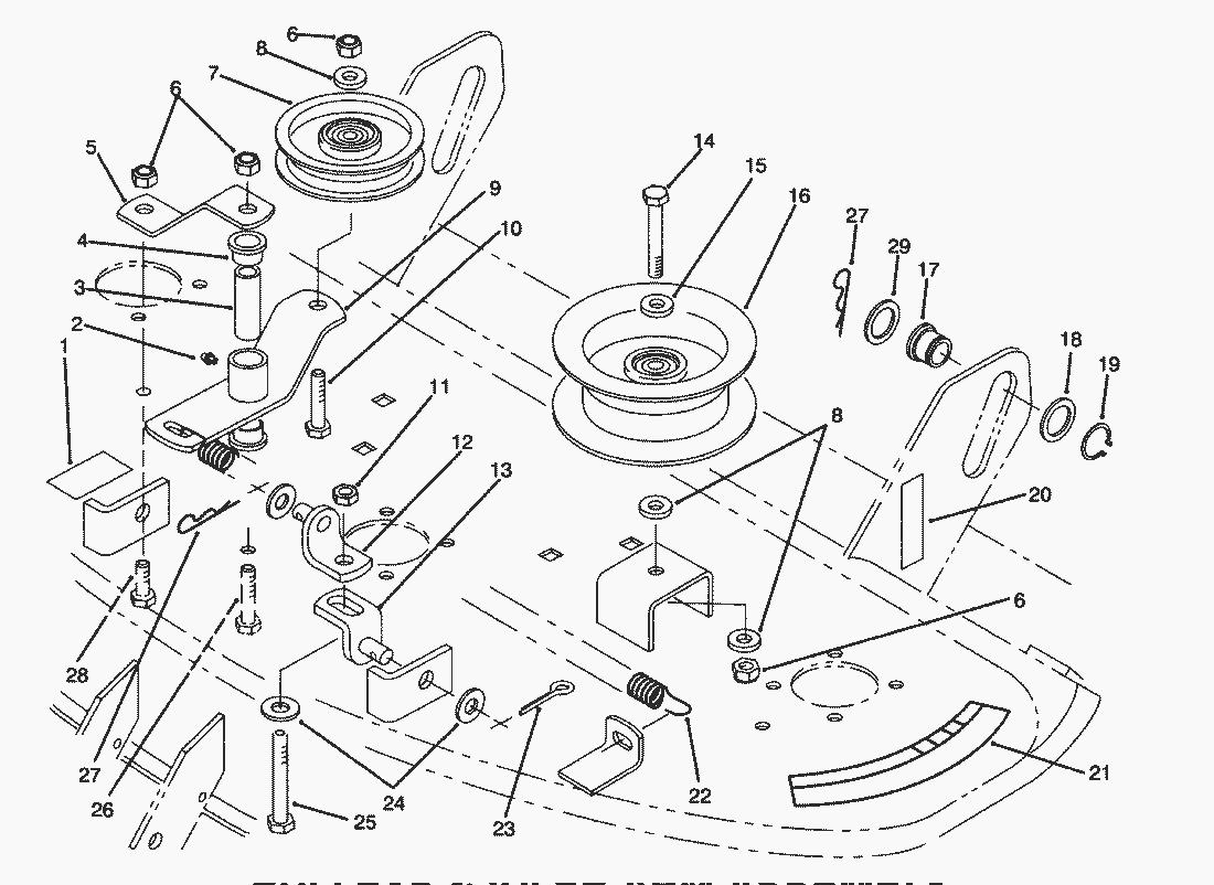
Pos.
Bezeichnung
Ersatzteilnummer
1
Klebeschild
116286
2
Fettnippel
302-26
3
Buechse
79-2760
4
Buechse
109859
5
Strap-Brace
78-3140
6
Mutter
3296-39
7
Spannrolle
92-7084
8
Scheibe
3256-24
9
Arm-Idler
78-3150
10
Schraube
323-9
11
Mutter
3218-5
12
Hebel
86-9250
13
Hebel
86-9240
14
Schraube
323-11
15
Scheibe (5)
2844
16
Spannrolle
92-7082
17
Flanschbuechse
78-7340
18
Washer
920239
19
Ring
32151-29
20
Decal-Attach-A-Matic
93-0322
21
Klebeschild
92-7108
22
Zugfeder
116172
23
Splint
3272-21
24
Scheibe
3256-26
25
Schraube
325-13
26
Schraube
323-14
27
Cotter-Hair Pin
933506
28
Schraube
323-6
29
Scheibe
3256-28
Gebrauchsanweisungen
Toro
Roth / TORO
Aufsitzmäher
Traktor
Rider
Mähwerke
91cm Heck
97cm Seit
107cm Seit
318/78230
318/78231
4900001
Gehäuse
Spindel
Riemenscheiben & Spannrollenhalter
Stützrad & Rolle
5900001
6900001
7900001
8900001
9900001
200000001
210000001
318/78232
112cm Seit
122cm Seit
132cm Seit
152cm Seit
Zubehör
Handgeräte
Robin
Impressum
(C) by motoruf