Zurück zu
>
Roth / TORO
>
Handgeräte
>
Schneefräsen
>
zweistufig
>
724
>
637/38073
>
9900001
>
Motor
Ersatzteillisten für Toro Roth / TORO Motor
Pos.
Bezeichnung
Ersatzteilnummer
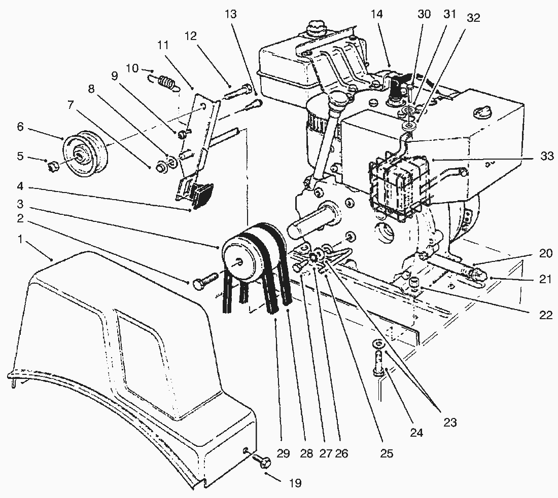
1
Belt Cover
37-6900
2
Schraube
43-7290
3
Riemenscheibe
74-1370
4
Bremsbelag
66-8060
5
Mutter
3296-59
6
Riemenscheibe
3-4244
7
Sicherungskappe
3290-320
8
Scheibe
3256-24
9
STOPMUTTER
3296-56
10
Feder
53-7570
11
Kupplungsarm
14-7959
12
Schraube
323-29
13
Bolzen
42-3560
14
19
Schraube
32144-4
20
Pipe Nipple
289-9
21
Hutmutter
288-2
22
MUTTER
3296-29
23
Scheibe
3256-23
24
Schraube
322-4
25
Belt Retainer
37-8990
26
Federring
3255-8
Gebrauchsanweisungen
Toro
Roth / TORO
Aufsitzmäher
Handgeräte
Kehrmaschinen
Schneefräsen
Zubehör
zweistufig
1332 PowerShift
1232 PowerShift
1132 PowerShift
1132
1028 PowerShift
924 PowerShift
828 PowerShift
824 PowerShift
824 XL
824
724
637/38073
9900001
Starter Nr. 590742
Elektrostarter Nr. 38-7590a (wahlw.)
Vergaser Nr. 640082
Motor Tecumseh (Modell HSK70-130302U)
Holm links
Holm rechts
Antrieb (Fortsetzung)
Antrieb
Trommel (Fortsetzung)
Trommel
Motor (Fortsetzung)
Motor
8900001
7900001
6900001
5900001
4900001
3900001
624 PowerShift
622
521
3521
einstufig
Sauger/Bläser
Rasenmäher
Robin
Impressum
(C) by motoruf