Zurück zu
>
Roth / TORO
>
Handgeräte
>
Schneefräsen
>
zweistufig
>
824
>
612/38080
>
6000001
>
Motor
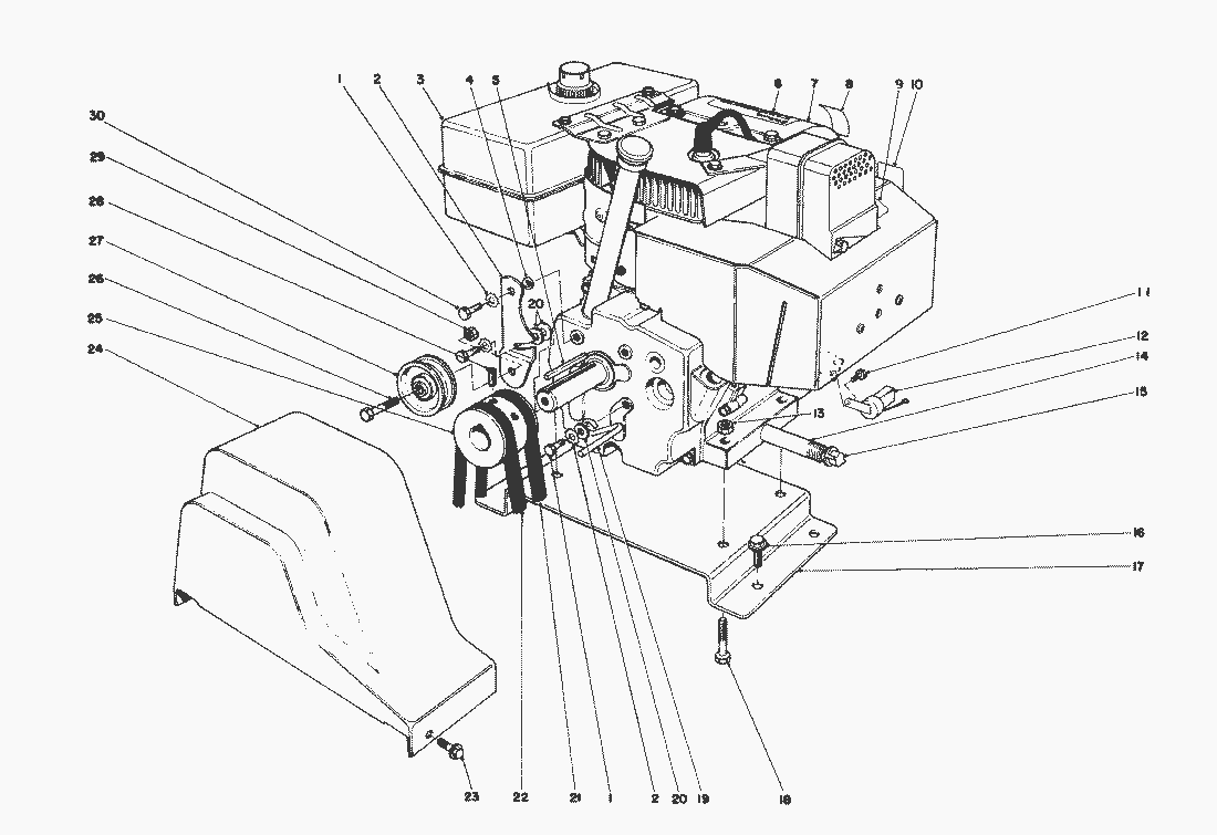
Ersatzteillisten für Toro Roth / TORO Motor
Pos.
Bezeichnung
Ersatzteilnummer
1
Federring
3255-8
2
Idler Arm
20-1800
3
Fuel Tank w/Cap
52-2670
4
Spacer
40-8490
5
Keil
5-0930
6
Decal-Hazards Caution
54-9750
7
Engine
49-2890
8
Decal-Primer
39-3860
9
Decal-Hot Surface Warning
53-7680
10
Decal-Choke
39-3850
11
Schraube
32144-4
12
Sicherheitsschalter
41-8601
13
MUTTER
3296-29
14
Verlaengerung
289-34
15
Hutmutter
288-2
16
Schraube
32144-15
17
Plate Engine Mounting
37-0320
18
Schraube
322-7
19
Riemenfuehrung
17-5530
20
Scheibe
3256-23
21
Keilriemen
20-1820
22
Keilriemen
26-9670
23
Schraube
32144-10
24
Riemenschutz
20-1830
25
Engine Pulley
21-4100
26
Schraube
323-8
27
Riemenscheibe
3-4244
28
Set Screw
3246-14
29
Stoppmutter
3296-44
30
Schraube
3210-3
Gebrauchsanweisungen
Toro
Roth / TORO
Aufsitzmäher
Handgeräte
Kehrmaschinen
Schneefräsen
Zubehör
zweistufig
1332 PowerShift
1232 PowerShift
1132 PowerShift
1132
1028 PowerShift
924 PowerShift
828 PowerShift
824 PowerShift
824 XL
824
612/38080
8000001
7000001
6000001
Rücklaufstarter Nr. 590606
Motor Tecumseh (Modell-Nr. HM80-155291K) (Fortsetzung)
Motor Tecumseh (Modell-Nr. HM80-155291K)
Vergaser Nr. 632334
Starter Motor 110 V Nr. 37-4810 (wahlw.)
Beleuchtungssatz Nr. 54-9821 (wahlw.)
Wetterschutz Modell 42-3380
Graderschild Modell 59099
Holm (Fortsetzung)
Motor
Holm
Antrieb
Antrieb (Fortsetzung)
Trommel (Fortsetzung)
Trommel
5000001
4000001
3900001
2000001
724
624 PowerShift
622
521
3521
einstufig
Sauger/Bläser
Rasenmäher
Robin
Impressum
(C) by motoruf