Zurück zu
>
Roth / TORO
>
Aufsitzmäher
>
Traktor
>
212-H
>
303/R2-12OE01
>
1000001
>
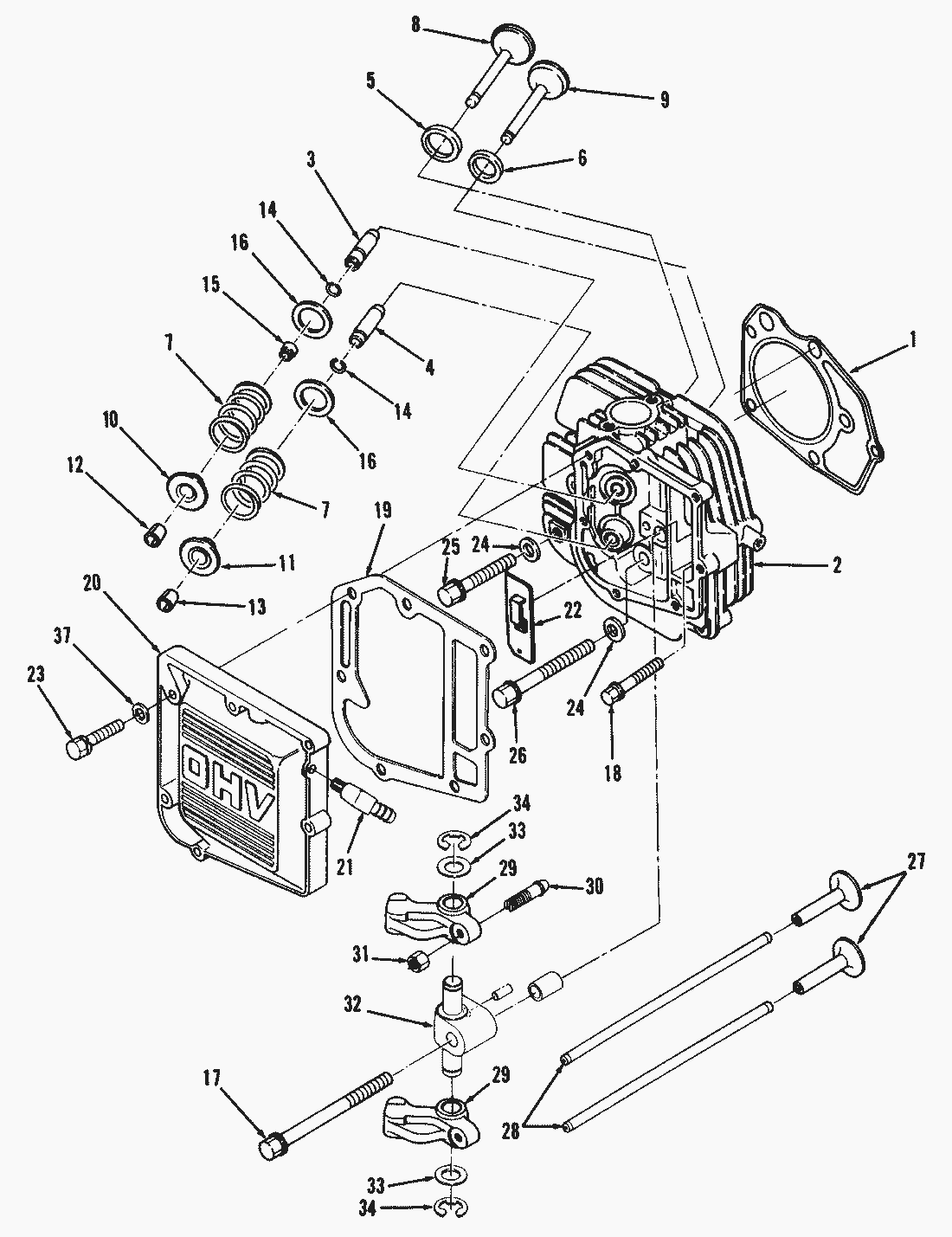
Motor Zylinderkopf & Ventile
Ersatzteillisten für Toro Roth / TORO Motor Zylinderkopf & Ventile
Pos.
Bezeichnung
Ersatzteilnummer
Cylinder Head Assembly (Incl. Ref.
NN10593
Cylinder Head Assembly (Incl. Ref.
NN10594
Pos.
Bezeichnung
Ersatzteilnummer
1
Zyl.-K.-Dichtung 110-3591
NN10592
3
Guide-Intake Valve
79-5880
4
Guide-Exhaust Valve
79-5870
5
6
7
Spring-Valve
NN10597
8
Einlassventil 110-3578
NN10598
9
Auslassventil 110-3579
NN10599
10
Retainer-Intake
NN10600
11
Retainer-Exhaust
NN10601
12
Lock-Intake
NN10602
13
Lock-Exhaust
NN10603
14
Ring
NN10604
15
Seal-Intake
NN10605
16
Washer
NN10606
17
Bolt
NN10607
18
Bolt
NN10608
19
Gasket
NN10609
20
Cover-Valve
NN10610
21
Fitting-45ø
NN10611
22
Breather
NN10612
23
Screw-Hex. Socket Hd.
NN10613
24
Washer
NN10614
25
Bolt
NN10615
26
Bolt
NN10616
27
Stoessel
NN10617
28
Stoesselwelle
NN10618
29
Kipphebel
NN10619
30
Screw
NN10620
31
Nut
NN10621
32
Welle
NN10622
33
Washer-Rocker Arm
NN10623
34
Klemme
NN10624
35
Pin-Dowel
NN10625
36
Pin-Dowel
NN10626
37
Scheibe
82-1340
Gebrauchsanweisungen
Toro
Roth / TORO
Aufsitzmäher
Traktor
264-6
246 HE
244-5
212-H
303/R2-12OE02
303/R2-12OE01
1000001
Schilder & Verschiedenes
Motor Vergaser
Motor Starter
Motor Schwungrad & Abdeckung
Motor Regler Gestänge & Abdeckung
Motor Luftfilter
Motor Zündung
Motor Zylinderkopf & Ventile
Motor Ölwanne & Pumpe
Motor Kurbelwelle & Nockenwelle
Motor Zylinderblock
Motor & Auspuff
Motor-Riemenscheibe & Zapfwellenkupplung
Bremse & Spannrolle (212-H)
Getriebegestänge (212-H)
Bürsten Zapfwelle (212-H)
Getriebe (212-H)
Bremse & Spannrolle (212-5)
Bürsten Zapfwelle (212-5)
Peerlesss Getriebe Modell-Nr. 930-020 (212-5)
Getriebe (212-5)
Rad & Reifen
Vorderachse & Lenkung
Elektrik
Rahmen
Rahmen
Sitz
212-5
17-44 HXLE
16-44 HXL
16-38 HXL
16-38 XLE
15-44 HXL
15-38 HXL
14-38 HXL
14-38 XL
13-38 HXL
13-38 XL
13-32 XLE
12-38 HXL
12-38 XL
12-32 XL
264 H
265 H
267 H
268 H
270 H
520 xi
520 Lxi
523 Dxi
Rider
Mähwerke
Zubehör
Handgeräte
Robin
Impressum
(C) by motoruf