Zurück zu
motoruf
Warenkorb

Ersatzteillisten für Toro Roth / TORO Motor (Fortsetzung)




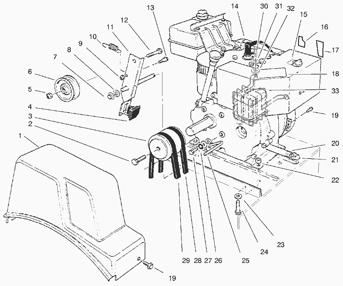
Ersatzteilliste


Pos.BezeichnungErsatzteilnummer
21Hutmutter288-2
22MUTTER3296-29
23Scheibe3256-23
24Schraube322-4
25Belt Retainer37-8990
26Federring3255-8
27Schraube3210-3
28Keilriemen37-9090
29Keiriemen26-9672
30Screw42-675
31Washer-Lock36-180
32Washer-Flat36-195-1
33Guard-Muffler127-19
Gebrauchsanweisungen
Toro
Impressum
(C) by motoruf