Zurück zu
motoruf
Warenkorb

Ersatzteillisten für Toro Roth / TORO Motor B&S (Modell 283707-0156-01)


Ersatzteilliste 1
Ersatzteilliste 2
Ersatzteilliste 3
Ersatzteilliste 4
Ersatzteilliste 5
Ersatzteilliste 6
Ersatzteilliste 7
Ersatzteilliste 8


Pos.BezeichnungErsatzteilnummer
Ring Set-Piston-.020 O.S. 25 1_366010 1 38160 Ring Set-Piston-.020 O.S.391782
Ring Set-Piston-.030 O.S. 26 1_366010 1 38160 Ring Set-Piston-.030 O.S.391783
Piston Assy.-.030 O.S. 24 _8790030 1 S2-12B502 Piston Assy.-.030 O.S.394664
Piston Assy.-.010 O.S. 22 _8790030 1 S2-12B502 Piston Assy.-.010 O.S.394662
Screw-Sem93535
Gasket-Crkcse Cover, 1/64 Thick 12 10 _8790030 1 S2-12B502 Gasket-Crkcse Cover, 1/64 Thick271916
Pin Assembly-Piston-.005 O.S. 29 1_366010 1 38160 Pin Assembly-Piston-.005 O.S.391286
Connecting Rod (020 U.S. Crankpin Bore) 60 5834A025 1 71140 Connecting Rod (020 U.S. Crankpin Bore)490469
Piston Assy.-.020 O.S. 23 _8790030 1 S2-12B502 Piston Assy.-.020 O.S.394663
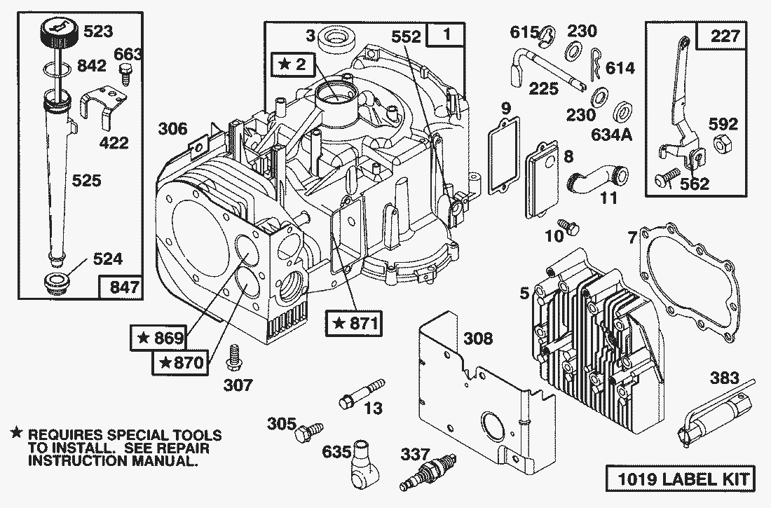
Ersatzteilliste


Pos.BezeichnungErsatzteilnummer
1Cylinder Assembly490450
2Sieb399265
3Seal-Oil391086
5Zylinderkopf494240
7Gasket-Cylinder Head271866
8Entluefter391406
9Dichtung t27803
10Schraube94621
11Entluefterrohr280100
13Schraube94622
225Crank-Governor231058
227Reglerhebel493935
230Scheibe94742
305Screw-Blower Housing Sem94619
306Shield-Cylinder224545
307Screw-Cylinder Shield Mtg. Sem94623
308Cover-Cylinder Head491490
337Zuendkerze802592
383Wrench-Spark Plug89838
422Clamp-Oil Filler Tube223721
523Cap and Dipstick Oil Filler495230
524Seal-Filler Tube68838
525Tube-Oil Filler280741
552Bushing-Gov. Crank231597
562Bolzen92613
592Mutter231082
614Splint93306
615Halter93307
634Dichtring491323
635Elbow-Spark Plug66538
663Screw-Clamp Mtg.94620
842Seal-Oil Filler Cap270920
847Oeleinfuellrohr490474
869Einlassventil261463
870Seat-Exhaust Valve (Std.)213316
871Ventilfuehrung261961
1019Label Kit491255
Ersatzteilliste


Pos.BezeichnungErsatzteilnummer
Dichtung - 005271997
Dichtung - 009271996
15Plug-Oil Drain94239
16Crankshaft495162
Keil94196
18Oelwanne Incl.Dicht.+Wedi494238
20Seal-Oil291675
22Screw-Base Mtg. Sem94624
24Key-Flywheel222698
25Kolben394661
26Ringsatz391780
Kolbenringsatz 010391781
27Kolbenbolzensicherung260924
28Kolbenbolzen299691
29Pleuelstange490348
32Screw-Connecting Rod94671
33Valve-Exhaust262246
34Valve-Intake262247
35Ventilfeder65906
36Spring-Exhaust Valve26828
40Retainer-Intake Valve221596
41Drehkappe292260
42Retainer-Exhaust Valve Rotocoil93630
45Ventilstoessel262248
46Nockenwelle212897
219Reglerrad490815
741Gear-Timing262932
757Link-Counterweight212359
758Counterweight Assy.399891
759Kolbenbolzen298909
761Screw-Counterweight93875
Ersatzteilliste


Pos.BezeichnungErsatzteilnummer
5Gasket-Carburetor (Carb. to Elbow)1272465
52Gasket-Carburetor Mtg.272554
53Stud-Carb Mtg94637
95Schraube94098
98Duese495800
104Pin-Float Hinge231789
105Valve Assy.-Inlet Needle231855
106Inlet Valve Seat231854
108Duese224540
118Duese494383
121Carburetor Overhaul Kit495799
123Screw-Elbow Mtg94616
125Carburetor Assembly495706
127
130Valve-Throttle224539
131Drosselwelle494379
133Schwimmer494381
137Gasket-Float Bowl281165
138Washer-Float Bowl Screw281164
141Welle494380
142Duese494537
147Pilot-Jet231794
164Carburetor-Elbow213819
611Fuel Inlet Tube494451
618Feder262803
634Dichtung281168
634Washer-Throttle Shaft281167
955Screw-Fuel Bowl94642
965Locknut-Air Cleaner Mtg94108
975Bowl Assy-Carb494378
977Dichtungs-Satz494385
987Dichtung281166
Ersatzteilliste


Pos.BezeichnungErsatzteilnummer
171Nut-Air Cleaner Mtg281051
224Screw-Hex Head Sem94513
284Schraube94326
445Cartridge-Air Cleaner493909
467Knob-Air Cleaner493903
535Element-Air Cleaner272403
537O-Ring281106
646Brace-Air Cleaner224546
872Cover-Air Cleaner281104
875Body-Air Cleaner494237
Ersatzteilliste


Pos.BezeichnungErsatzteilnummer
187Benzinleitung393815
201Link-Governor262767
209Spring-Governor260871
216Gestaenge262766
222Plate-Governor Control494887
232Feder262785
240Filter-Fuel (In Fuel Line)394358
265Clamp, Casing221535
474Stator-Alternator (Dual Circuit)393474
482Screw-Sem93621
601Klammer93053
657Screw, Sem93496
877Diode393456
Ersatzteilliste


Pos.BezeichnungErsatzteilnummer
23Schwungrad492326
37Guard-Flywheel224502
75Washer-Spring224061
78Screw-Sem93805
304Housing-Blower494269
333Zuendanlage492341
334Screw, Breaker Arm Mtg. Sem93381
346Schraube93705
356Wire-Ground494328
363Puller-Flywheel(Optional Accessory)19203
423Screw-Sem94073
455Mitnehmer222561
468Screen-Flush Rotating222562
668Spacer280848
726Gear-Flywheel Ring (Includes Mounting Parts)392134
727Starterdeckel490324
729Clip-Relief281159
851Terminal-Ignition Cable221798
1005Fan-Flywheel280687
1006Mitnehmerblech224413
1044Screw-Hex. Head94673
Ersatzteilliste


Pos.BezeichnungErsatzteilnummer
309Motor & Drive Assembly394805
310Bolt94003
311Kohlensatz395538
510Drive Assembly (Incl. Ref.490421
513Clutch Assembly398003
544Armature Assembly390837
728Schraube94627
729Retainer-Wire224723
783Gear280104
801Deckel394856
802Deckel395537
803Housing Assembly398159
876Retainer & Pin490467
896Spannstift94288
Ersatzteilliste


Pos.BezeichnungErsatzteilnummer
51Gasket-Carb (Carb to Elbow)272465
358Dichtungssatz494241
977Benzintank494358
Gebrauchsanweisungen
Toro
Impressum
(C) by motoruf