Zurück zu
>
Roth / TORO
>
Handgeräte
>
Rasenmäher
>
2-Takt Radantrieb
>
239
>
320000
>
Mäher
Ersatzteillisten für Toro Roth / TORO Mäher
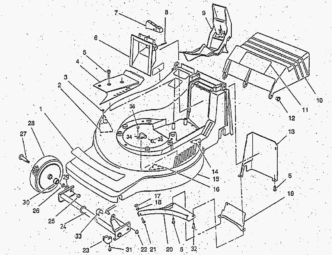
Pos.
Bezeichnung
Ersatzteilnummer
1
PVC-KLEBESCHILD
19349
2
Deflektor Rechts Vorne
19338
3
SCHRAUBE
19341
4
RIEMENABDECKUNG
18314
5
FORMSCHRAUBE
12393
6
GRIFFSCHALE
18547
7
STELLTASTE
20010
8
Stift
18344
9
RECYCLER-VERSCHLUSSTUECK
19342
10
AUSWURFKLAPPE
19867
11
HINWEISSCHILD
19884
12
Holmlagerbuchse
18460
13
TRENNWAND
19965
14
DEFLEKTOR LINKS HINTEN
19340
15
MAEHERGEHAEUSE M. KICKER
19960
16
DEFLEKTOR LINKS VORNE
19339
17
STOPMUTTER
17494
18
*** keine Bezeichnung vorhanden
17043
19
Leitblech
18301
20
ABDECKUNG
19371
21
SCHRAUBE
20126
22
Sicherungskappe
18867
23
ACHSHALTER
19584
24
Vorderachse
19275
25
STOPMUTTER
19624
26
Wellenscheibe
18868
27
RADBOLZEN
19623
28
Vorderrad
18304
29
SCHEIBE
18454
30
Radlager
18459
31
SCHRAUBE
18587
32
SCHRAUBE
13567
33
LAGERSCHALE VORN
19585
34
ANSCHLUSS-FITTING
20028
35
O-RING
20029
36
SCHRAUBE
20125
*** keine Bezeichnung vorhanden
20470
PVC KLEBESCHILD -KIPPEN-
11715
Gebrauchsanweisungen
Toro
Roth / TORO
Aufsitzmäher
Handgeräte
Kehrmaschinen
Schneefräsen
Sauger/Bläser
Rasenmäher
Grasfangvorrichtungen
4-Takt Radantrieb
4-Takt
2-Takt Radantrieb
295/26643
295/26643 B
295/26640 BC
295/26640 B
287/20916B
277
255/22700 BC
255/22700
239
330000
320000
Vergaser komplett
Schwungrad & Zündung komplett
Rücklaufstarter komplett
Motorregler komplett 47PS 5-7
Teilemotor komplett 47PS 5-6
Auspuff komplett
Motorstopp komplett 47PS 5-6
Motor komplett
Motor
Fangkorb
Schaltbügel
Führungsholm
Getriebe
Antrieb
Messergruppe
Mäher
237/22045
237/22045 B
237/22044 BC
237/22036
237/22035
234
224
222/16212 WG
2-Takt
Elektro
Akku
Robin
Impressum
(C) by motoruf