Zurück zu
>
Roth / TORO
>
Handgeräte
>
Rasenmäher
>
Elektro
>
104
>
210000
>
Mäher
Ersatzteillisten für Toro Roth / TORO Mäher
Ersatzteilliste 1
Ersatzteilliste 2
Pos.
Bezeichnung
Ersatzteilnummer
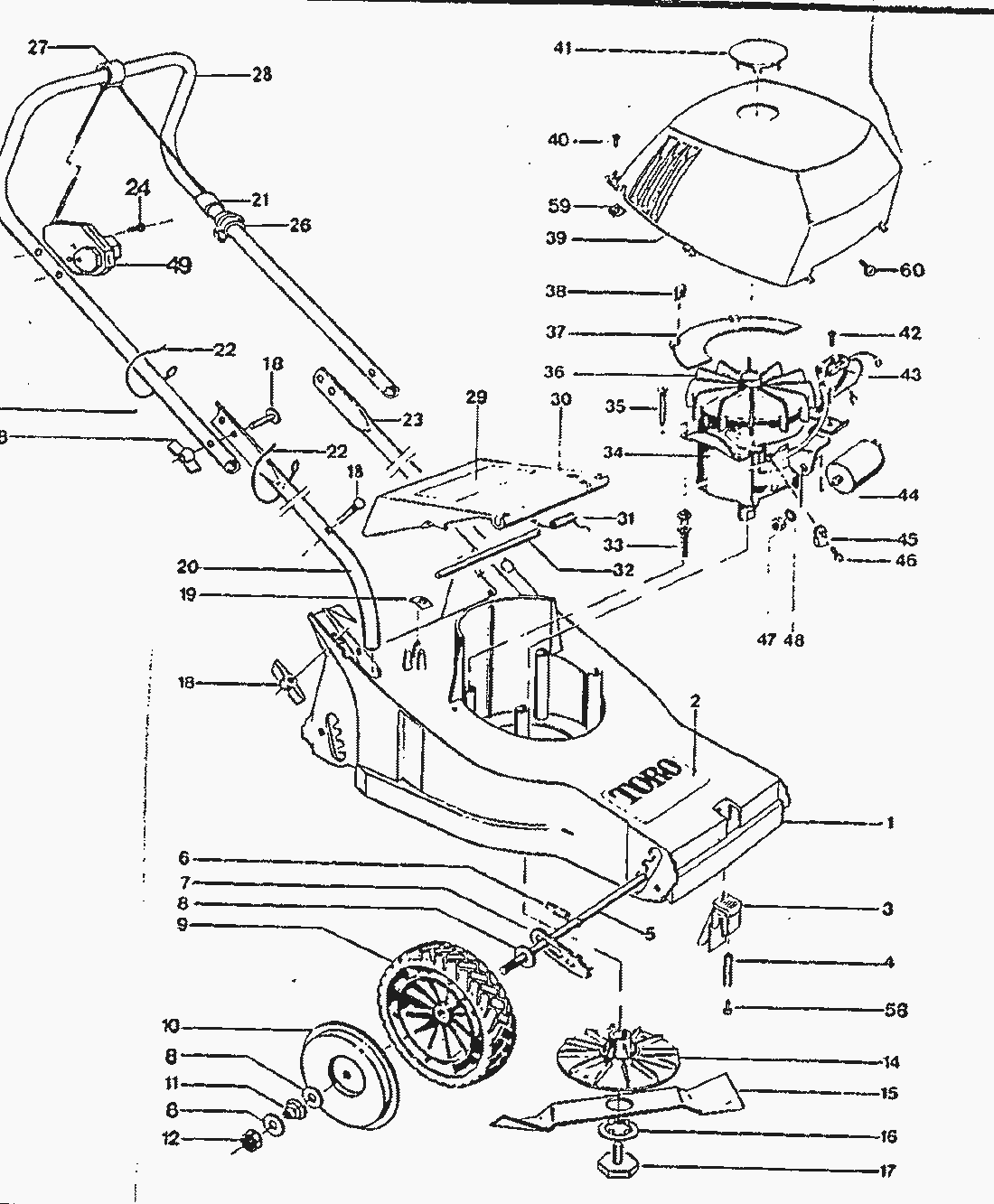
1
MAEHERGEHAEUSE
11924
2
KLEBESCHILD
13796
3
DRUCKTASTE
11476
4
DRUCKFEDER
11611
5
RADACHSE
13830
6
ZUGFEDER
11613
7
ZEIGER
11569
8
ANLAGESCHEIBE
11717
9
RAD
13845
10
SCHUTZSCHEIBE
13838
11
FEDER
11615
12
HUTMUTTER
13891
14
MESSERAUFNAHME
11650
15
MESSER
11934
16
MITNEHMERBLECH
07468
17
MESSERSCHRAUBE
07463
18
* HOLMVERSCHRAUBUNG KPL.
13474
19
WELLENSICHERUNG
11830
20
SCHIEBESTANGE-UT RECHTS
13322
21
SEILKLAMMER
13607
22
KABELBAND
14757
23
SCHIEBESTANGE-UT.
13323
24
SCHRAUBE
13602
26
KABELHALTER
10635
27
SEILFUEHRUNG
13603
28
SCHIEBESTANGE O.T.
14357
29
KLEBESCHILD
13457
30
AUSWURFKLAPPE
11928
31
SCHENKELFEDER
11619
32
ACHSE
11930
33
DUEBEL
12436
34
ELEKTROMOTOR
13383
35
SCHRAUBE
11628
36
LUEFTERFLUEGEL
12333
37
ABDECKSCHEIBE
11644
38
FEDERKLAMMER
13601
39
HAUBE
11469
40
SCHRAUBE
12327
41
SCHAUGLAS
10415
42
SCHRAUBE
11838
43
STECKVERTEILER
11839
44
KONDENSATOR
10103
45
ZUGENTLASTUNG
10105
46
SCHRAUBE
11646
47
MUTTER
03770
48
SCHEIBE
09571
49
SCHALTER
17354
58
KUNSTSTOFFNIETE
11880
59
FEDERMUTTER
11979
60
SCHRAUBE
11908
Pos.
Bezeichnung
Ersatzteilnummer
50
TRAGEGRIFF
13880
51
ACHSSCHRAUBE
13873
52
GRASFANGSACK M.GESTAENGE
14176
55
RAHMENLAGER
13876
56
FLANSCHMUTTER
13882
57
DECKEL F. GRASFANGVORR.
13883
Gebrauchsanweisungen
Toro
Roth / TORO
Aufsitzmäher
Handgeräte
Kehrmaschinen
Schneefräsen
Sauger/Bläser
Rasenmäher
Grasfangvorrichtungen
4-Takt Radantrieb
4-Takt
2-Takt Radantrieb
2-Takt
Elektro
170
155
150
140
134
125
105
104
19160
270000
260000
250000
240000
230000
220000
210000
Mäher
200000
190000
180000
170000
150000
103
102
Akku
Robin
Impressum
(C) by motoruf