Zurück zu
>
Roth / TORO
>
Handgeräte
>
Schneefräsen
>
zweistufig
>
521
>
622/38054
>
1000001
>
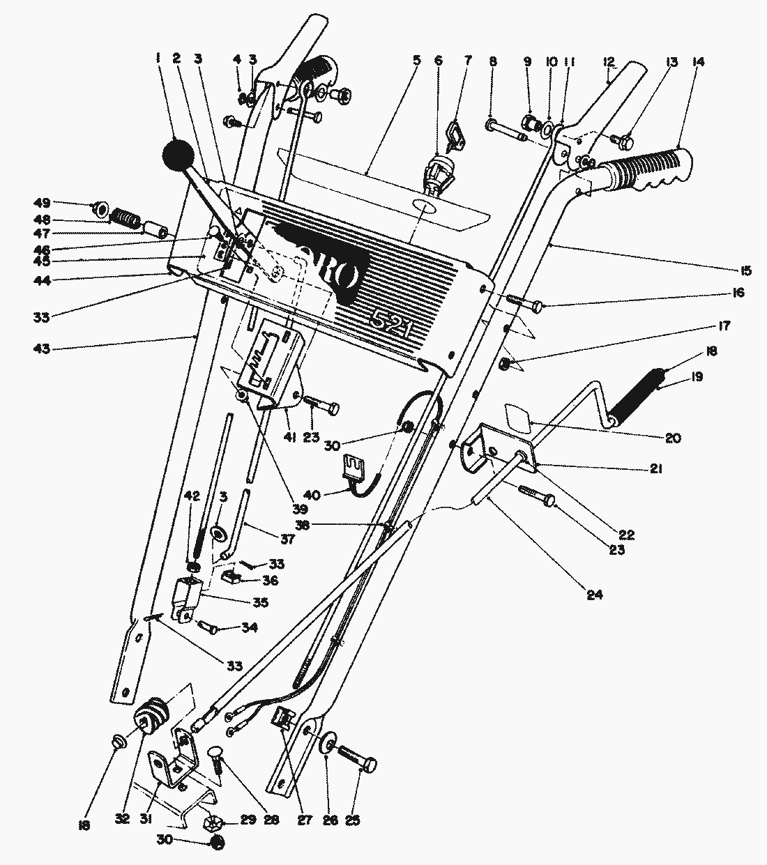
Holm
Ersatzteillisten für Toro Roth / TORO Holm
Pos.
Bezeichnung
Ersatzteilnummer
1
Knob
233-21
2
Gangschalthebel
37-8820
3
Scheibe
3256-23
4
Sicherungsring
32151-73
5
Decal-Escutcheon Back (Model 38052)
66-6830
5
Decal-Escutcheon Back (Model 38054)
66-6880
6
Zuendschloss
40-5940
7
Schluessel
63-8360
8
Pin-Control Lever
52-5600
9
Huelse
47-4990
10
Scheibe
3256-24
11
Gelenk
52-5590
12
Handgriff
63-3640
13
Schraube
3234-13
14
Grip
37-9110
15
Handle-Left
52-5570
16
Schraube
321-9
17
MUTTER
3296-42
18
Sicherungskappe
3290-320
19
Grip-Crank Handle
66-6540
20
Klebeschild
63-3510
21
Halterung
12-7739
22
Nyliner
256-249
23
Schraube
322-7
24
Kurbel
40-8270
25
Schraube
322-2
26
Tellerscheibe
3290-456
27
Mutter
3290-196
28
Schraube
3230-2
29
Scheibe
3290-238
30
MUTTER
3296-29
31
Bracket-Chute Worm
40-8280
32
Schnecke
40-8250
33
Splint
3272-4
34
Stift
283-3
35
Clevis
39-3080
36
Klemm-Mutter
32115-5
37
Rod-Speed Selector
39-7570
38
Wire Mount
17-9120
39
Mutter
32128-33
40
Kabelbaum
43-7390
41
Mount-Speed Selector
39-1280
42
Mutter
3218-1
43
Handle-Right
52-5560
44
Panel-Escutcheon
43-7360
45
Decal-521
66-6560
46
Carriage Bolt
3229-22
47
Distanzbuechse
40-8130
48
Spring
37-9150
49
Flanschmutter
32128-13
Tie Wrap
3290-378
Gebrauchsanweisungen
Toro
Roth / TORO
Aufsitzmäher
Handgeräte
Kehrmaschinen
Schneefräsen
Zubehör
zweistufig
1332 PowerShift
1232 PowerShift
1132 PowerShift
1132
1028 PowerShift
924 PowerShift
828 PowerShift
824 PowerShift
824 XL
824
724
624 PowerShift
622
521
622/38054
6900001
5900001
4900001
3900001
2000001
1000001
Elektrostarter Motor Nr. 23-3790
Rücklaufstarter Nr. 590646
Vergaser Nr. 632107A
Motor Tecumseh (Modell HS50-67259J) (Fortsetzung)
Motor Tecumseh (Modell HS50-67259J)
Beleuchtungssatz Nr. 54-9822 (wahlw.)
Seiten-Schneidschiene Nr. 37-7020 (wahlw.)
Holm
Motor
Antrieb
Trommel (Fortsetzung)
Trommel
0000001
622/38035
3521
einstufig
Sauger/Bläser
Rasenmäher
Robin
Impressum
(C) by motoruf