Zurück zu
>
Roth / TORO
>
Handgeräte
>
Schneefräsen
>
zweistufig
>
828 PowerShift
>
629/38545
>
9000001
>
Holm
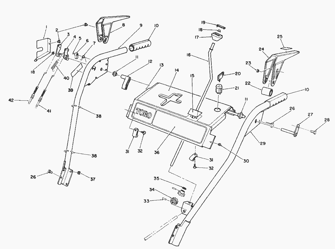
Ersatzteillisten für Toro Roth / TORO Holm
Pos.
Bezeichnung
Ersatzteilnummer
1
Cover-Lever Lock
63-2170
2
Schraube
2210-250
3
Spannhebel
62-0300
4
Nocke
62-0290
5
Ring
32151-66
6
Klinke
62-0280
7
Feder
63-2910
8
Lever-Impeller
62-1050
9
Handle-R.H.
62-1381
10
Handgriff
66-7850
11
Buechse
62-1070
12
Hebel
62-1640
13
Panel-Control
66-8100
14
Decal-Panel Top (Model No. 38505)
63-2550
15
Fuehrungsplatte
62-1490
16
Gestaenge
63-2160
17
Knopf
62-1320
18
Sicherungskappe
3290-320
19
Abdeckung
62-1520
20
Key-Switch
62-7770
21
Zuendschloss
40-5940
22
Distanzstueck
63-3380
23
Mutter
3296-2
24
Lever-Traction
62-1060
25
Decal-Lever (Model No. 38513)
63-3060
26
Schraube
3234-7
27
Gestaenge
63-2030
28
Schraube
3290-359
29
Handle-L.H.
66-8091
30
Schraube
32104-76
31
Clip-Wire
2412-101
32
Schraube
32104-118
33
Stift
32121-50
34
Ritzel
62-1460
35
Scheibe
62-1230
36
Decal-Panel Front
63-2520
37
Mutter
3296-47
38
Tie Wrap
3290-378
39
Schild
63-3470
40
Spring-Extension
63-2720
41
Bowdenzug
63-2710
42
Bowdenzug
63-2700
Harness-Wire
63-3430
Gebrauchsanweisungen
Toro
Roth / TORO
Aufsitzmäher
Handgeräte
Kehrmaschinen
Schneefräsen
Zubehör
zweistufig
1332 PowerShift
1232 PowerShift
1132 PowerShift
1132
1028 PowerShift
924 PowerShift
828 PowerShift
629/38574
629/38545
9000001
Motor Nr. 68-8290 Kraftstoffsystem & Auspuff (Fortsetzung)
Motor Nr. 68-8290 Kraftstoffsystem & Auspuff (Serie Nr. 9000331 & höher)
Motor Nr. 68-8290 Zündung (Serie Nr. 9000331 & höher)
Motor Nr. 68-8290 Kurbelgehäuse (Fortsetzung)
Motor Nr. 68-8290 Kurbelgehäuse (Serie Nr. 9000331 & höher)
Motor Nr. 63-3010 Kraftstoffsystem & Auspuff (Fortsetzung)
Motor Nr. 63-3010 Kraftstoffsystem & Auspuff (Serie Nr. 9000101 bis 9000330)
Motor Nr. 63-3010 Zündung (Serie Nr. 9000101 bis 9000330)
Motor Nr. 63-3010 Kurbelgehäuse (Fortsetzung)
Motor Nr. 63-3010 Kurbelgehäuse (Serie Nr. 9000101 bis 9000330)
12 V Starter Motor Nr. 68-7250 (wahlw.)
Differential Bausatz Modell-Nr. 38038 (wahlw.)
Wetterschutz Nr. 68-9500 (wahlw.)
Beleuchtungssatz Nr. 66-7950 (wahlw.)
Holm
Seiten-Schneidschiene (wahlw.)
Antrieb Gestänge
Antrieb
Getriebe Nr. 66-8030 (Fortsetzung)
Getriebe Nr. 66-8030
Motor
Getriebegehäuse Nr. 66-8021
Gehäuse & Auswurf (Fortsetzung)
Gehäuse & Auswurf
8000001
824 PowerShift
824 XL
824
724
624 PowerShift
622
521
3521
einstufig
Sauger/Bläser
Rasenmäher
Robin
Impressum
(C) by motoruf