Zurück zu
>
Roth / TORO
>
Handgeräte
>
Schneefräsen
>
zweistufig
>
521
>
622/38035
>
8000001
>
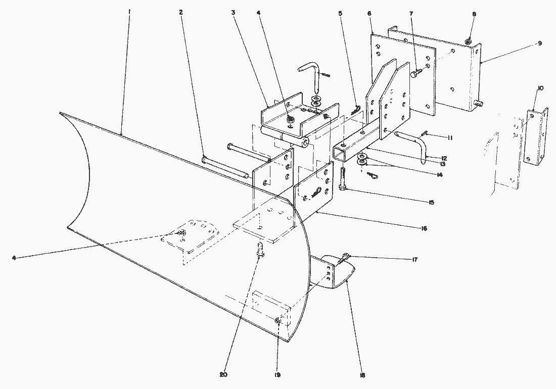
Graderschild Modell 59099 (wahlw.)
Ersatzteillisten für Toro Roth / TORO Graderschild Modell 59099 (wahlw.)
Pos.
Bezeichnung
Ersatzteilnummer
Pivot Pin (Incl. Ref.
20-5210
Pos.
Bezeichnung
Ersatzteilnummer
1
Blade
74374
2
Splintbolzen
283-38
3
Swivel Bracket
20-5090
4
Mutter
32152-3
5
Haarnadelsicherung
3290-322
6
Mounting Plate
20-5170
7
Schraube
323-6
8
Locknut
32152-2
9
Mounting Plate Bracket (used with 826 and 1032 only)
22-4920
10
Mounting Rail (Used with 421 Units only)
39-7850
11
Stift
32121-45
13
Blade Tongue
20-5140
14
Scheibe
3256-5
15
Schraube
325-11
16
Blade Adjustment Plate
20-5130
17
Schraube
322-6
18
Skid
7-1023
19
Mutter
32152-1
20
Schraube
325-5
Schraube
650152
Decal
31752
Body
31692
Element
30727
Schraube
28820
Anschlusstueck
31691
Gasket
27277
Gebrauchsanweisungen
Toro
Roth / TORO
Aufsitzmäher
Handgeräte
Kehrmaschinen
Schneefräsen
Zubehör
zweistufig
1332 PowerShift
1232 PowerShift
1132 PowerShift
1132
1028 PowerShift
924 PowerShift
828 PowerShift
824 PowerShift
824 XL
824
724
624 PowerShift
622
521
622/38054
622/38035
9000001
8000001
Rücklaufstarter Nr. 590604
Vergaser Nr. 632378
Motor Tecumseh (Modell H35-45598S) (Fortsetzung)
Motor Tecumseh (Modell H35-45598S)
Beleuchtungssatz Nr. 54-9821 (wahlw.)
StarterMotor Nr. 23-3790
Graderschild Modell 59099 (wahlw.)
Seiten-Schneidschiene Nr. 37-7020 (wahlw.)
Holm
Motor
Antrieb
Trommel
Trommel (Fortsetzung)
7000001
6000001
5000001
4000001
3521
einstufig
Sauger/Bläser
Rasenmäher
Robin
Impressum
(C) by motoruf