Zurück zu
>
Roth / TORO
>
Aufsitzmäher
>
Traktor
>
13-38 XL
>
391/71205
>
79000001
>
Getriebeachse
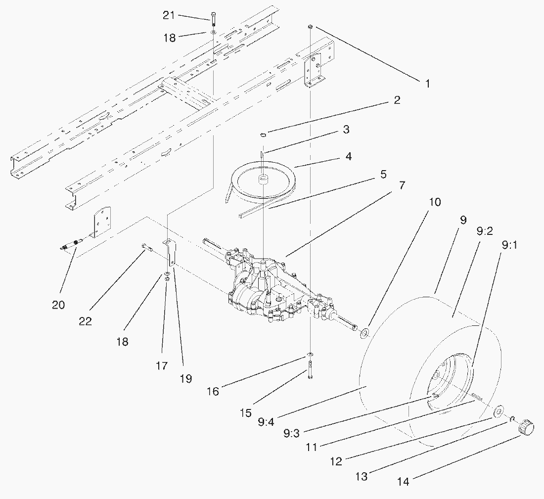
Ersatzteillisten für Toro Roth / TORO Getriebeachse
Pos.
Bezeichnung
Ersatzteilnummer
Rim
88-4390
Pos.
Bezeichnung
Ersatzteilnummer
1
MUTTER
3296-29
2
Ring
32120-64
3
Keil
3257-23
4
Pulley-Transmission
88-4840
5
V-Belt-Traction
88-6270
7
Getiebe
94-6022
9
Wheel & Tire Assembly (Incl. Ref.
88-4300
92
Tire
88-4090
93
Ventil
232-27
94
Inner Tube (Optional)
232-41
10
Scheibe
3-6498
11
Keil
7-0036
12
Scheibe
28-2480
13
Seegerring
32151-48
14
Abdeckung
61-9780
15
Schraube
322-12
16
Scheibe
3256-23
17
MUTTER
3296-29
18
Scheibe
3256-23
19
Achsaufhaengung
94-1969
20
Feder
26-6700
21
Schraube
322-3
22
Schraube
32144-14
Gebrauchsanweisungen
Toro
Roth / TORO
Aufsitzmäher
Traktor
264-6
246 HE
244-5
212-H
212-5
17-44 HXLE
16-44 HXL
16-38 HXL
16-38 XLE
15-44 HXL
15-38 HXL
14-38 HXL
14-38 XL
13-38 HXL
13-38 XL
391/71208
391/71205
79000001
Peerlesss Getriebeachse Modell MST 205-509
Motor
Motor (B&S Modell 28M707-0127-01)
Elektrik
Schnitthöhe
Aufhängung (38 Schneideinheit) Suspension Assy. (38 Cutting Unit)
Riemenscheibe & Riemen (38 Schneideinheit) Pulley & Belt Assy. (38 Cutting Unit)
Gehäuse (38 Schneideinheit) Deck Assy. (38 Cutting Unit) (Cont.)
Gehäuse (38 Schneideinheit) Deck Assy. (38 Cutting Unit)
Getriebeachse
Verstellung
Kupplung
Kraftstofftank & Motor Riemenscheibe
Lenkung
Vorderachse
Sitz
Haube
Rahmen
59000001
6900001
13-32 XLE
12-38 HXL
12-38 XL
12-32 XL
264 H
265 H
267 H
268 H
270 H
520 xi
520 Lxi
523 Dxi
Rider
Mähwerke
Zubehör
Handgeräte
Robin
Impressum
(C) by motoruf