Zurück zu
>
Roth / TORO
>
Aufsitzmäher
>
Rider
>
8-25
>
372/70060
>
59000001
>
Getriebe & Gestänge (Fortsetzung)
Ersatzteillisten für Toro Roth / TORO Getriebe & Gestänge (Fortsetzung)
Pos.
Bezeichnung
Ersatzteilnummer
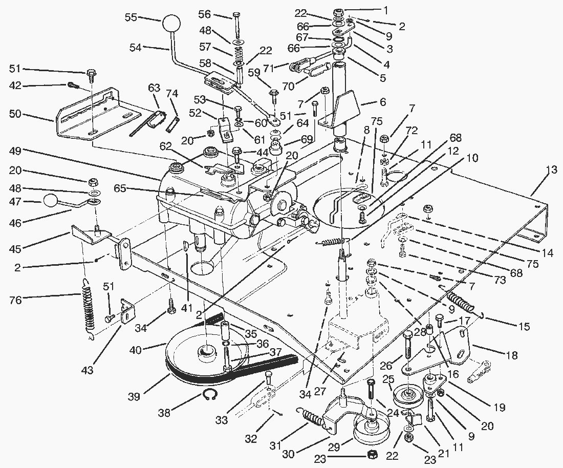
47
Griff
233-22
48
Scheibe
3256-55
49
Getriebe
67-1400
50
Gate-Shift
88-9810-03
51
Schraube
32144-14
52
Getriebehebel
56-7620
53
Screw-Cap Hex. Hd.
329-4
54
Schalthebel
76-3940-03
55
Knopf
233-48
56
Schraube
321-15
57
Druckfeder
56-7730
58
Distanzbuechse
56-7740
59
Schraube
321-8
60
Federring
3253-3
61
scheibe
3256-22
62
Bracket-Engage, Deck
67-0670
63
Schalter
88-9930
64
Federscheibe
3290-478
65
Bracket-Mount, Shifter
67-0660
66
Scheibe
20-3220
67
Sicherungsring
32151-62
68
Tellerscheibe
3290-456
69
Fuehrungsbuechse
76-3970
70
Bolzen
67-1530
71
Schenkel
282-27
72
Mutter
3218-2
73
Thread Forming Screw
32144-26
74
Mutter
3290-354
75
Riemenfuehrung
76-3820
76
Zugfeder
76-4660
Gebrauchsanweisungen
Toro
Roth / TORO
Aufsitzmäher
Traktor
Rider
HMR 1600
12-32 E
12-32
11-32
10-32 E
8-25
372/70122
372/70060
89000001
79000001
59000001
Getriebe (Peerlesss Modell 700-025)
Motor B&S (Modell-Nr. 195707-0121-01)
Starter (B&S Nr. 195707-0121-01)
Schneideinheit
Differential
Hinterachse
Elektro-Schaltplan
Motor
Getriebe & Gestänge (Fortsetzung)
Getriebe & Gestänge
Heckteil
Vorderachse
Sitz & Kraftstofftank
Rahmen
Vorderteil
49000001
39000001
6900001
110-4E
110-4
Mähwerke
Zubehör
Handgeräte
Robin
Impressum
(C) by motoruf