Zurück zu
>
Roth / TORO
>
Handgeräte
>
Rasenmäher
>
4-Takt Radantrieb
>
489/20926 B
>
2000001
>
Gehäuse
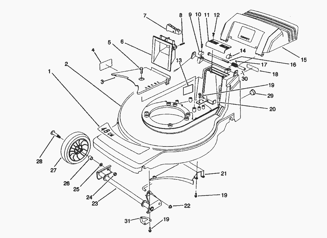
Ersatzteillisten für Toro Roth / TORO Gehäuse
Pos.
Bezeichnung
Ersatzteilnummer
Housing-48cm
14-0049
Pos.
Bezeichnung
Ersatzteilnummer
1
Pvc-Klebeschild
71-8290
3
Riemenabdeckung
71-7920
4
Decal-Danger
62-3860
5
Schraube
32144-70
6
GRIFFSCHALE
71-7870
7
Griff
71-7930
8
Spannstift
3284-5
9
Klemme
71-7910
10
Schraube
65-5210
11
GRIFFDECKEL
71-7860
12
SCHRAUBE
32144-97
13
Decal-Noise Rating
66-1700
14
Klemme
71-7900
15
Door-Discharge (Model No. 20915)
71-8240
16
Schraube
322-29
17
Spring-Door
71-8300
18
Klebeschild
66-0680
19
Schraube
32144-4
20
Riemenfuehrung
71-7890
21
Ramp-Discharge
71-7990
22
SICHERUNGSKAPPE
32112-11
23
Vorderachse
71-7820
24
Stopmutter
3296-5
25
Scheibe
40-1940
26
Buchse
27-6250
27
Rad
46-1113
28
Radbolzen
27-6230
29
Stopfen
2410-74
30
Buechse
71-8580
31
Wellenfuehrung
71-8750
Gebrauchsanweisungen
Toro
Roth / TORO
Aufsitzmäher
Handgeräte
Kehrmaschinen
Schneefräsen
Sauger/Bläser
Rasenmäher
Grasfangvorrichtungen
4-Takt Radantrieb
498/26638
498/26633
498/26633 B
498/26631 B
496/26639
496/26636
496/26636 B
496/26635 BC
496/26625 BG
495/26637
495/26632
495/26632 B
495/26630 BC
495/26630 BG
495/26620 BG
494/20784
494/20791
493/20783
493/20789
492/20787
492/20778
491/20786
491/20777
491/20328 B
490/20327 B
489/20927 B
489/20926 B
2000001
Starter (Modell-Nr. VML0-5)
Auspuff (Modell-Nr. VML0-5)
Luftfilter & Kraftstofftank (Modell-Nr. VML0-5)
Vergaser (Modell-Nr. VML0-5)
Regler (Modell-Nr. VML0-5)
Zündspule & Schwungrad (Modell-Nr. VML0-5)
Kurbelwelle (Fortsetzung)
Kurbelgehäuse (Modell-Nr. VML0-5)
Fangkorb
Holm (Antrieb)
Getriebe Nr. 71-8250
Hinterachse (Antrieb)
StarterMotor
Motor
Gehäuse
1000001
489/20925
488/20920
487/20914
487/20909 BC
487/20905
479
477
469
465/20781
465/20779
464
459/20824
459/20821
459/20821 B
459/20820 BC
458/20823
458/20822
457
456/20808
456/20808 B
456/20807 BC
456/20806 B
455/20803
455/20803 B
455/20802 BC
455/20801 B
453
449
439
437/22173
437/22157
437/22154
437/22154 B
437/22153 BC
434
424
421/20652
417/20832
417/20829
417/20827
416/20831
416/20828
416/20826
415/20817
415/20811
4-Takt
2-Takt Radantrieb
2-Takt
Elektro
Akku
Robin
Impressum
(C) by motoruf