Zurück zu
>
Roth / TORO
>
Handgeräte
>
Schneefräsen
>
zweistufig
>
1132 PowerShift
>
630/38580
>
2000001
>
Gehäuse & Auswurf
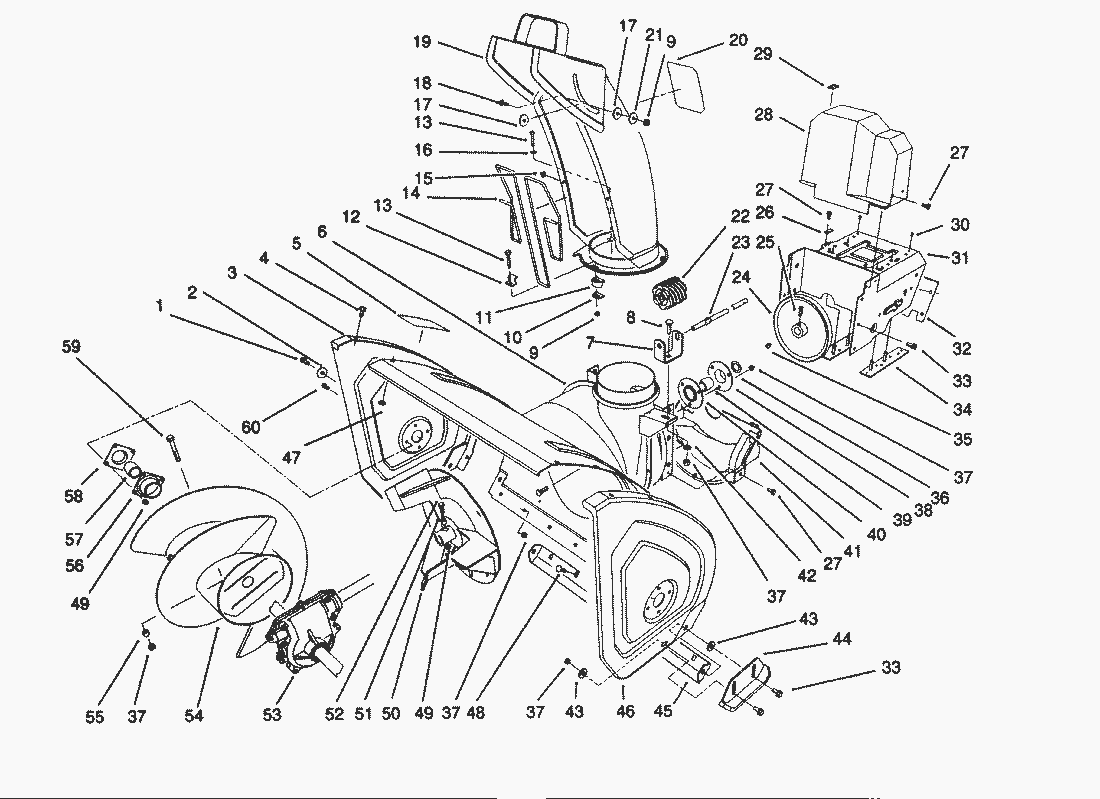
Ersatzteillisten für Toro Roth / TORO Gehäuse & Auswurf
Pos.
Bezeichnung
Ersatzteilnummer
Housing-32 6 6 3282a001 1 38580 Housing-32
62-0722
Pos.
Bezeichnung
Ersatzteilnummer
1
Schraube
323-6
2
Scheibe
3-0750
3
Plate-Side R.H.
66-7821
4
Schraube
3234-28
5
Decal-Auger Warning
53-7670
7
Halter
63-2180
8
Schraube
3230-2
9
Mutter
3296-2
10
Platte
63-2670
11
Anschlag
62-1430
12
Halter
63-3130
13
Schraube
3274-13
14
Schutzgitter
63-3020
15
Mutter
3290-326
16
Scheibe
3256-14
17
Scheibe
63-2900
18
Schraube
32122-32
19
Chute Assembly
62-0840
20
Decal-Danger Chute (Model No. 38500)
63-3740
Decal-Danger Chute (Model 38566 Only)
53-7860
21
Scheibe
3256-61
22
Schnecke
62-0820
23
Gestaenge
62-1720
24
Riemenscheibe
62-1300
25
Schraube
3242-4
26
Kabelklemme
63-2300
27
Schraube
32144-4
28
Riemenabdeckung
63-2080
29
Deckel
63-3290
Gebrauchsanweisungen
Toro
Roth / TORO
Aufsitzmäher
Handgeräte
Kehrmaschinen
Schneefräsen
Zubehör
zweistufig
1332 PowerShift
1232 PowerShift
1132 PowerShift
630/38580
9000001
8000001
5900001
4900001
3900001
2000001
12 V Startermotor Nr. 66-7700 (wahlw.)
110V Elektrostarter Nr. 37-4630 (wahlw.)
Motor B&S Modell 252416 Typ 0756-01 & 0757-01 (Fortsetzung)
Motor B&S Modell 252416 Typ 0757-01 (Modell 38566)
Motor B&S Modell 252416 Typ 0756-01 (Modell 38580)
Motor B&S Modell 252416 Typ 0756-01 & 0757-01
Differential Bausatz Modell-Nr. 38038 (wahlw.)
Wetterschutz Nr. 68-9500 (wahlw.)
Beleuchtungssatz Nr. 66-7940 (wahlw.)
Seiten-Schneidschiene (wahlw.)
Holm
Antrieb Gestänge
Antrieb
Getriebe Nr. 66-8030 (Fortsetzung)
Getriebe Nr. 66-8030
Motor
Trommel Getriebegehäuse Nr. 74-1562
Gehäuse (Fortsetzung)
Gehäuse & Auswurf
1000001
0000001
630/38566
630/38565
1132
1028 PowerShift
924 PowerShift
828 PowerShift
824 PowerShift
824 XL
824
724
624 PowerShift
622
521
3521
einstufig
Sauger/Bläser
Rasenmäher
Robin
Impressum
(C) by motoruf