Zurück zu
>
Roth / TORO
>
Handgeräte
>
Rasenmäher
>
2-Takt Radantrieb
>
224
>
240000
>
Fahrgestell
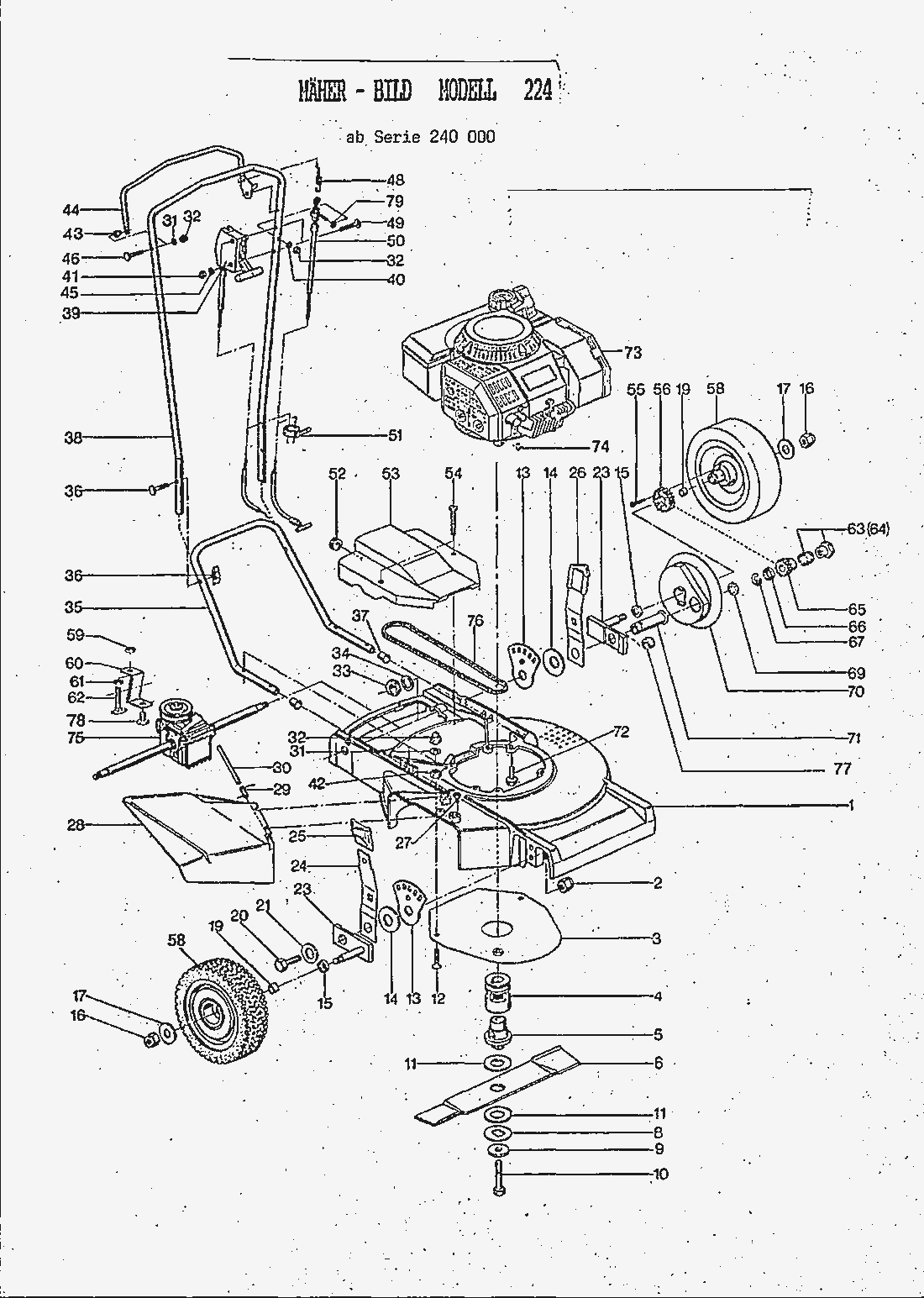
Ersatzteillisten für Toro Roth / TORO Fahrgestell
Pos.
Bezeichnung
Ersatzteilnummer
1
MAEHERGEHAEUSE
17663
2
STOPMUTTER
10988
3
ABDECKBLECH
17636
5
MESSERNABE
18316
6
MESSER
17647
8
DRUCKSCHEIBE
13001
9
SPANNSCHEIBE
14558
10
MESSERSCHRAUBE
17778
11
REIBSCHEIBE
07189
12
SCHRAUBE
17754
13
KULISSENBLECH
17661
14
TELLERFEDER
17708
15
ABDECKSCHEIBE
03951
16
STOPMUTTER
10988
17
SCHEIBE
13853
19
Gleitlager
07542
20
SCHRAUBE
02160
21
SCHEIBE
13896
23
*RADAUFHAENGUNG KOMPLETT
17656
ABDECKUNG
18447
24
RADLASCHE
17655
25
GRIFFKNOPF
17646
26
*RADAUFHAENGUNG KOMPLETT
17919
27
SCHRAUBE
09430
28
GRASLEITSTUECK
17591
29
SCHENKELFEDER
17671
30
LAGERSTIFT
17672
31
SCHEIBE
07674
32
HUTMUTTER
13891
33
FLACHMUTTER
17981
*RADAUFHAENGUNG KOMPLETT
17920
34
SCHEIBE
13568
35
SCHIEBESTANGE-UNTERTEIL
17921
36
* HOLMVERSCHRAUBUNG KPL.
13474
37
KUNSTSTOFF-STOPFEN
17900
38
SCHIEBESTANGE OT 46 CM
18110
39
SERVICE-BOWDENZUG
17684
40
SCHEIBE
07674
41
HUTMUTTER
17903
42
BLECHMUTTER
17752
43
BUNDLAGER
18127
44
SCHALTBUEGEL
18100
45
HUTMUTTER
17903
46
KOPFSCHRAUBE
12836
49
SCHRAUBE
17901
50
BOWDENZUG-ANTRIEB
18103
51
KABELBAND
14757
52
TUELLE
10775
53
ABDECKUNG
17922
54
SCHRAUBE
17703
55
SPEZIALSCHRAUBE
13072
56
ZAHNRAD
07729
58
RAD
17552
59
SICHERUNGSMUTTER
10365
60
HALTEWINKEL
17653
61
MUTTER
02427
62
SCHRAUBE
17746
63
* FREILAUF KOMPL. LINKS
12619
64
* FREILAUF KOMPL. RECHTS
12620
65
RITZEL
12558
66
TOPFSCHEIBE
13340
67
SICHERUNGSSCHEIBE
03899
68
SCHEIBE
04574
69
STUETZSCHEIBE
17711
70
ABDECKUNG
12808
71
TRAGROHR
17660
72
SCHRAUBE
17790
73
*** keine Bezeichnung vorhanden
17002
75
GETRIEBE KOMPL. F. PROFI
17776
76
KEILRIEMEN
17713
77
LAGERBUECHSE
17710
78
SCHRAUBE
02428
79
DISTANZBUCHSE
18104
Gebrauchsanweisungen
Toro
Roth / TORO
Aufsitzmäher
Handgeräte
Kehrmaschinen
Schneefräsen
Sauger/Bläser
Rasenmäher
Grasfangvorrichtungen
4-Takt Radantrieb
4-Takt
2-Takt Radantrieb
295/26643
295/26643 B
295/26640 BC
295/26640 B
287/20916B
277
255/22700 BC
255/22700
239
237/22045
237/22045 B
237/22044 BC
237/22036
237/22035
234
224
350000
340000
330000
320000
310000
300000
290000
280000
270000
260000
250000
240000
Vergaser
Schwungrad & Zündung
Rücklaufstarter
Motorstop
Motorregler
Teilemotor
Auspuff
Motor
Getriebe
Fahrgestell
230000
222/16212 WG
2-Takt
Elektro
Akku
Robin
Impressum
(C) by motoruf