Zurück zu
>
Roth / TORO
>
Aufsitzmäher
>
Traktor
>
13-32 XLE
>
390/71209
>
9900001
>
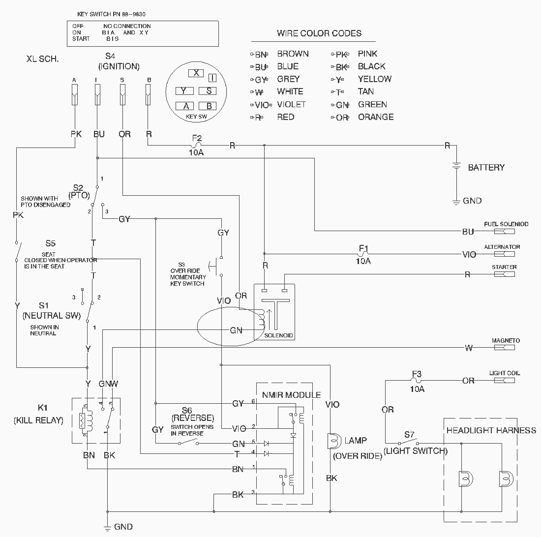
Elektro-Schaltplan
Ersatzteillisten für Toro Roth / TORO Elektro-Schaltplan
Pos.
Bezeichnung
Ersatzteilnummer
Sicherung 10a
218-578
Gebrauchsanweisungen
Toro
Roth / TORO
Aufsitzmäher
Traktor
264-6
246 HE
244-5
212-H
212-5
17-44 HXLE
16-44 HXL
16-38 HXL
16-38 XLE
15-44 HXL
15-38 HXL
14-38 HXL
14-38 XL
13-38 HXL
13-38 XL
13-32 XLE
390/71209
220010001
210000001
200000001
9900001
Motor B&S (Modell 28M707-1122-E1
Peerlesss Getriebeachse Modell MST 205-509
Elektro-Schaltplan
Elektrik
Schnitthöhe
32 Gehäuse, Messer, Antrieb & Bremse 32 Deck Blade Drive & Braking Components
32 Gehäuse 32 Deck Components
5-Gang Getriebeachse
Verstellung
Antriebskupplung
Motor
Lenkung
Lenkung
Heckteil & Sitz
Haube & Säule
Rahmen & Rahmen
12-38 HXL
12-38 XL
12-32 XL
264 H
265 H
267 H
268 H
270 H
520 xi
520 Lxi
523 Dxi
Rider
Mähwerke
Zubehör
Handgeräte
Robin
Impressum
(C) by motoruf