Zurück zu
>
Roth / TORO
>
Aufsitzmäher
>
Traktor
>
264 H
>
502/72063
>
5900001
>
Differentialgetriebe
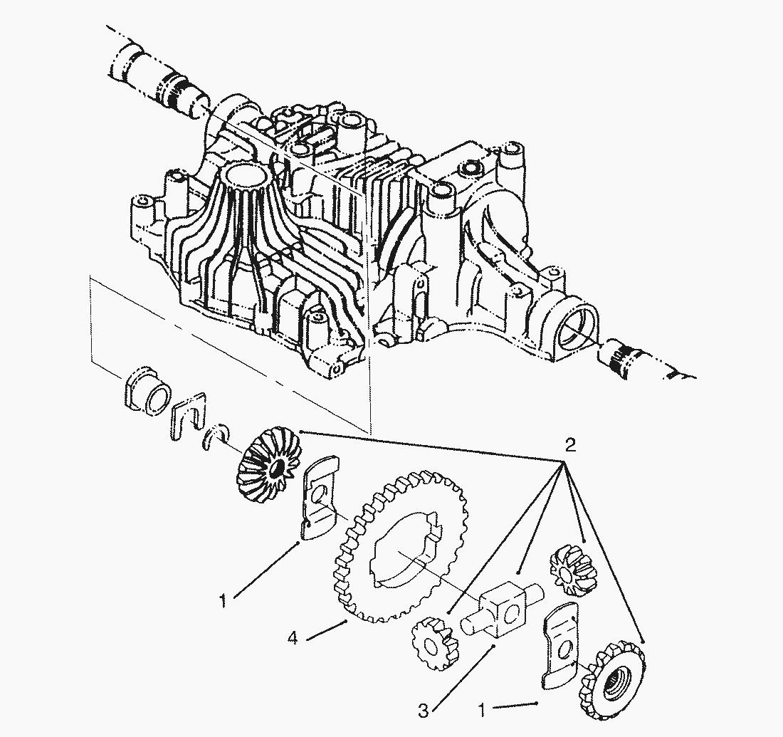
Ersatzteillisten für Toro Roth / TORO Differentialgetriebe
Pos.
Bezeichnung
Ersatzteilnummer
1
Washer-Thrust (Only On: 72083,72048,72103,72063)
93-0444
2
Differential Gear ASM (Only On: 72083, 72043, 72103, 72063)
93-0440
3
Achse
93-0443
4
Zahnrad
93-0445
Gebrauchsanweisungen
Toro
Roth / TORO
Aufsitzmäher
Traktor
264-6
246 HE
244-5
212-H
212-5
17-44 HXLE
16-44 HXL
16-38 HXL
16-38 XLE
15-44 HXL
15-38 HXL
14-38 HXL
14-38 XL
13-38 HXL
13-38 XL
13-32 XLE
12-38 HXL
12-38 XL
12-32 XL
264 H
502/72063
4900001
5900001
Haube mit Grill
Armaturenbrett
Lenkrad mit Verstellung
untere Lenkung
Vorderachse
Sitz
Kraftstofftank & Hydrauliktank
Kotflügel & Fußauflage
Haubenhalter & Hitzeschutz
Aushubhebel & Schnitthöhe
Rahmen
Hydraulik Antrieb
Gear Antrieb
Zweizylinder Motor, Auspuff, und Zapfwelle
Einzylinder Motor, Auspuff, und Zapfwelle
Kupplung 92-6885
Batterie
Hydraulikbremse
Hydraulikbetätigung
Hydraulik-Getriebeachse
Tempomat Betätigung
Getriebeachse
Getriebe-Schaltgestänge
Kupplung & Bremsgetriebe
Hinterrad
Kurbelwelle (Kohler Motor CV14S-PS1472)
Kurbelgehäuse (Kohler Motor CV14S-PS1472)
Ölwanne, Schmierung (Kohler Motor CV14S-PS1472)
Zylinderkopf, Ventil, Entlüftung (Kohler Motor CV14S-PS1472)
Zündung, Elektrik (Kohler Motor CV14S-PS1472)
Gebläsegehäuse & Leitbleche (Kohler Motor CV14S-PS1472)
Starteinrichtung (Kohler Motor CV14S-PS1472)
Kraftstoffsystem (Kohler Motor CV-14S-PS1472)
Motor Betätigungen (Kohler Motor CV14S-PS1472)
Luft Einlaß, Filter (Kohler Motor CV14S-PS1472)
Auspuff (Kohler Motor CV14S-PS1472)
Ölwanne, Schmierung (Kohler Motor CV16S-PS61514)
Kopf, Ventil, Entlüftung (Kohler Motor CV16S-PS61514)
Zündung, Elektrik (Kohler Motor CV16S-PS61514)
Gebläsegehäuse & Leitbleche (Kohler Motor CV16S-PS61514)
Starteinrichtung (Kohler Motor CV16S-PS61514)
Kraftstoffsystem (Kohler Motor CV16S-PS61514)
Motor Betätigungen (Kohler Motor CV16S-PS61514)
Luft Einlaß, Filter (Kohler Motor CV16S-PS61514)
Auspuff (Kohler Motor CV16S-PS61514)
Getriebeachse Peerless 820-024
Getriebeachs-Gehäuse
Mittleres Gehäuse
Pumpenwelle
Motorwelle
Wählhebel
Bypass
Dämpfer
Neutralzentrierung
Bremssicherung
Differentialgetriebe
Ritzel
Getriebewelle
Bremse
5900499
265 H
267 H
268 H
270 H
520 xi
520 Lxi
523 Dxi
Rider
Mähwerke
Zubehör
Handgeräte
Robin
Impressum
(C) by motoruf