Zurück zu
>
Roth / TORO
>
Handgeräte
>
Schneefräsen
>
einstufig
>
CCR 2000
>
618/38186
>
5900001
>
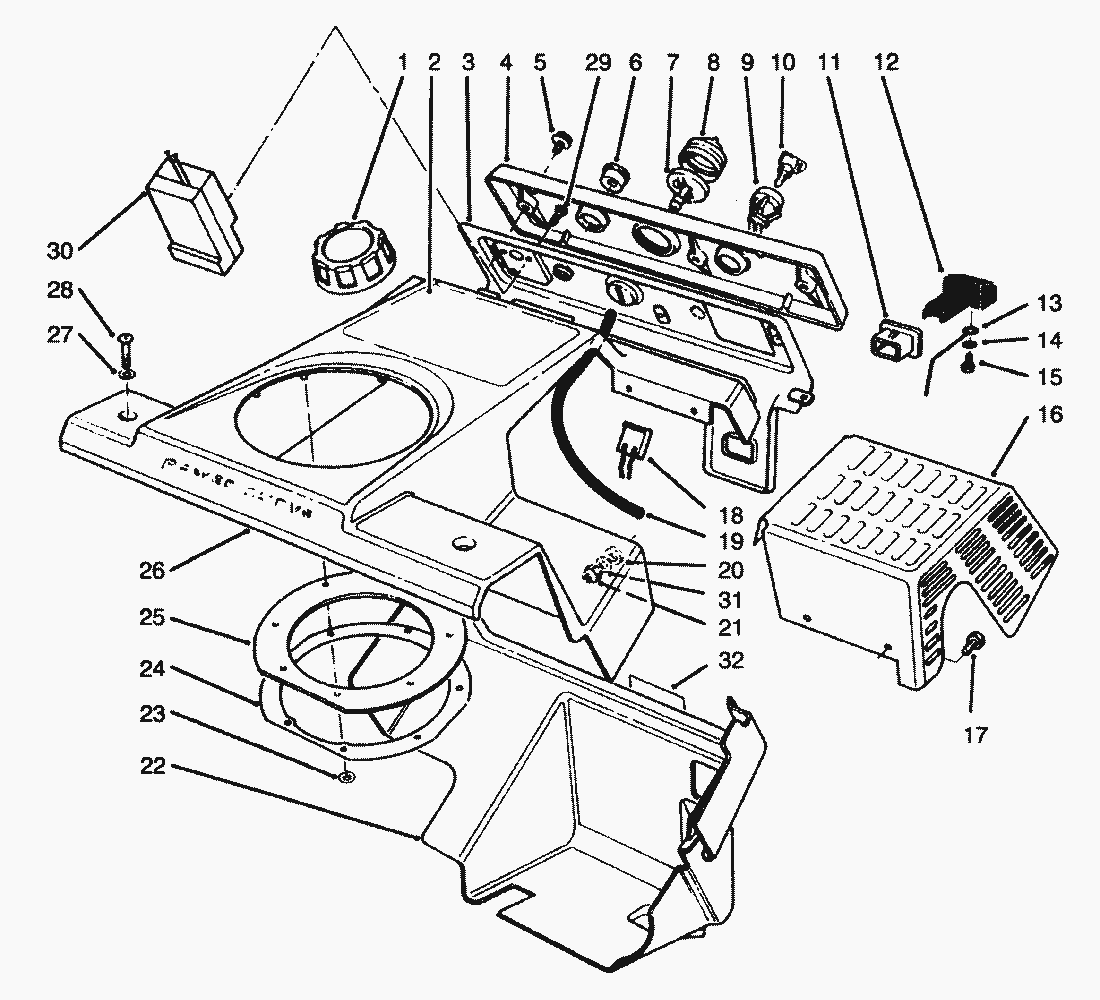
Betätigung, Paneele & Abdeckung
Ersatzteillisten für Toro Roth / TORO Betätigung, Paneele & Abdeckung
Pos.
Bezeichnung
Ersatzteilnummer
Control Panel Assembly (Incl. Ref.
12-4659
Pos.
Bezeichnung
Ersatzteilnummer
1
Gas Cap Assembly
55-3573
2
Namensschild
77-5220
4
Name Plate Control (Model No. 38185)
61-4410
Name Plate Control (Model No. 38186)
94-2569
5
Schraube
32144-112
6
Seilfuehrung
55-9410
7
Primer-Koerper
44-2750
8
Primerknopf
66-7460
9
Zuendschloss
40-5940
10
Schluessel
63-8360
11
Passtueck
55-8820
12
Control-Choke (Model No. 38180)
55-8810
Starterklappe
55-8811
13
Linkage-Choke
61-4651
14
Scheibe
3256-49
15
Schraube
32144-111
16
Shield-Heat
55-9210
17
Schraube
32105-8
18
Steckverbindung
218-532
19
Hose-Primer
44-3171
20
Washer-Rubber
55-9660
21
Mutter
3296-12
22
Haube-U.T.
55-8791
23
Hutmutter
3290-474
24
Retainer-Chute Seal
55-9540
25
Seal-Chute
55-9260
26
Haube
94-2795
27
scheibe
3256-22
28
Screw-Phillips
3250-32
29
Thread Forming Screw
32144-27
30
31
Scheibe
3256-14
32
Decal-Warning (Model No. 38176 Only)
94-2581
Gebrauchsanweisungen
Toro
Roth / TORO
Aufsitzmäher
Handgeräte
Kehrmaschinen
Schneefräsen
Zubehör
zweistufig
einstufig
Snow Commander
CCR 3650 GTS
CCR 3000
CCR 2450
CCR 2400
CCR 2000
618/38186
6900001
5900001
Starter (Motor Modell 47PS5-5)
Auspuff (Motor Modell 47PS5-5)
Regler (Motor Modell 47PS5-5)
Vergaser (Motor Modell 47PS5-5)
Schwungrad & Zündspule (Motor Modell 47PS5-5)
TeileMotor (Motor Modell 47PS5-5)
Holm
StarterMotor & Schalter Gehäuse
Betätigung, Paneele & Abdeckung
Motor & Hauptrahmen
Rotor
Antrieb
Grassauswurf
Gehäuse
4900001
3900001
2000001
1000001
0000001
618/38185 C
618/38181
618/38180 C
CR 1000
CR 20
CR 20 R
S 620
S 200
CCR Powerlite
Sauger/Bläser
Rasenmäher
Robin
Impressum
(C) by motoruf