Zurück zu
motoruf
Warenkorb

Ersatzteillisten für Toro Roth / TORO Antrieb




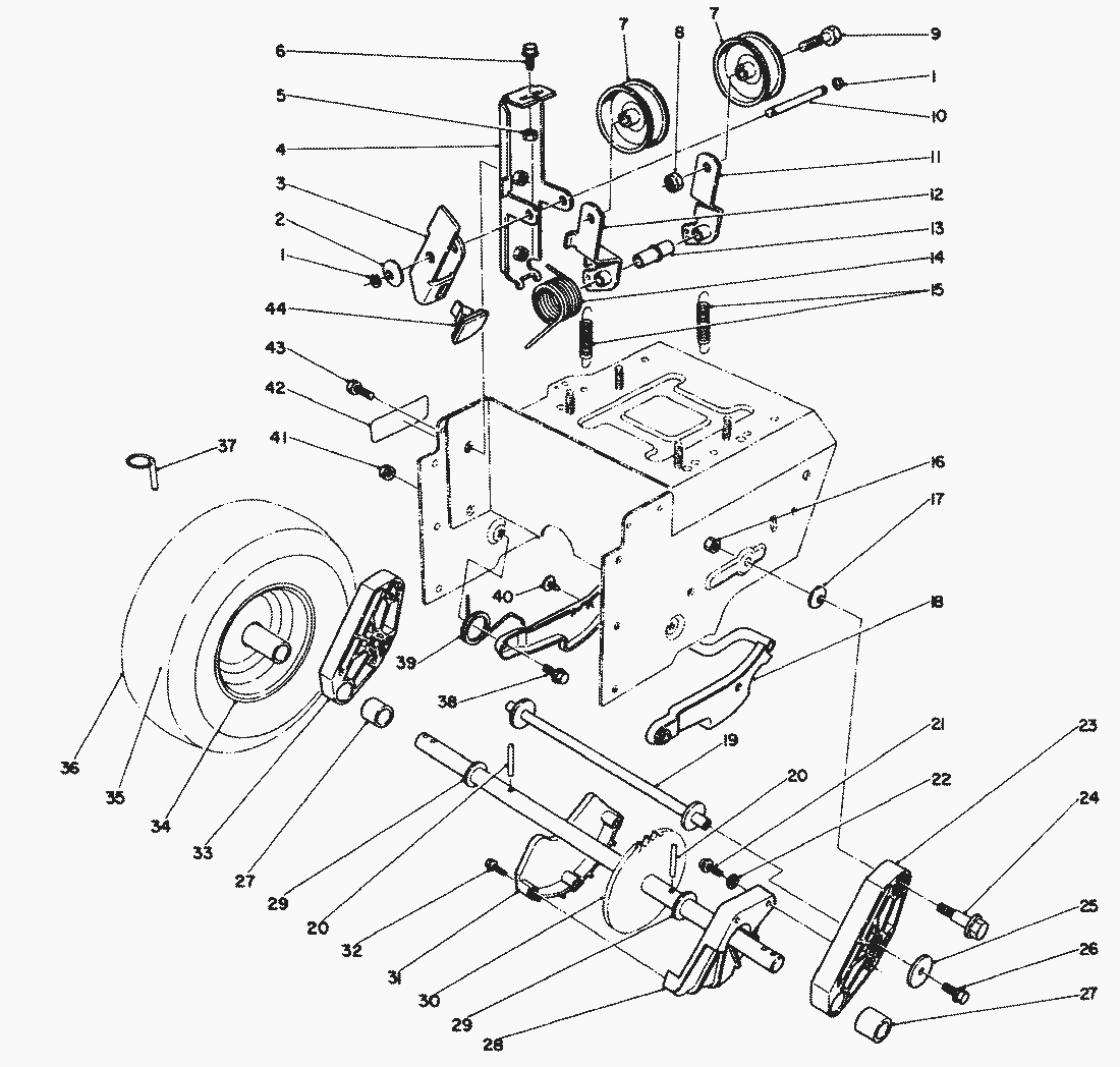
Pos.BezeichnungErsatzteilnummer
Pivot Arm Assembly L.H. (Incl. Ref.62-0150
Wheel & Tire Assembly (Incl. Ref.62-1090
Pivot Arm Assembly R.H. (Incl. Ref.63-3150
Ersatzteilliste


Pos.BezeichnungErsatzteilnummer
1Sicherung32120-46
2Scheibe3290-477
3Bremsarm63-2820
4Halter63-2850
5MUTTER3296-42
6Schraube3234-13
7Riemenscheibe3-4244
8Mutter3296-59
9Schraube323-7
10Stift62-0970
11Haltearm62-1260
12Hebel62-1280
13Buechse62-1210
14Feder63-2881
15Feder63-2870
16Mutter3296-39
17Washer-Belleville3290-461
18Latch-Arm62-0470
19Tube-Pivot63-3440
20Stift32121-9
21Schraube32144-4
22Washer-Plain3256-1
24Bolzen62-1330
25Washer63-3360
26Schraube32144-41
27Buechse63-2250
28Kettenschutz62-1010
29Scheibe252-80
30Radachse63-2112
31Kettenschutz62-1000
32Schraube32104-118
34Rim-Wheel241-125
35Schlauch232-48
36Reifen231-123
37Stift3290-243
38Schraube5-2490
39Feder63-2740
40Verbinder3290-476
41Mutter3296-47
42Decal-Adjustment (Model No. 38500)63-3460
Schild63-3470
43Schraube3234-7
44Brake Pad-Molded40-8140
Gebrauchsanweisungen
Toro
Impressum
(C) by motoruf