Zurück zu
AS-Motor
>
AS Mulchmeister
>
AS Mulchmeister 84/2LB
>
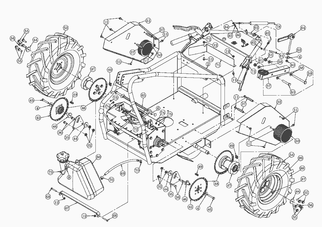
Fahrwerk Abb.2
Ersatzteillisten für AS Motor AS Mulchmeister Fahrwerk Abb.2
Pos.
Bezeichnung
Ersatzteilnummer
2
Motorträger vollst.
E07217
4
Scheibe
E03957
6
Fahrantriebszug AS84/2LB vollst.
E08338
8
SCHEIBE
E03914
11
SICHERUNGSSCHRAUBE
E04631
12
Sicherungsmutter
E05975
32
SICHERUNGSMUTTER
E06037
35
Kettenspannplatte
E07180
36
SECHSKANTSCHRAUBE
E03938
37
Verbindungsmutter
E06726
43
Kettenradnabe vollst
E08334
44
Scheibe
E04552
45
6-kt.Schraube
E03924
46
Kettenspannhülse
E07156
47
Radnabe vollst.
E08335
48
Einfachrollenkette
E06424
49
Kettenschloß
E06425
50
Schutzhülse 100lg.
E08025
51
Kettenabdeckung li.
E07219
52
Kettenabdeckung re.
E07218
53
Breitreifen links
E06458
54
Breitreifen rechts
E06457
87
Schlauch für Breitreifen
E06570
88
Mantel für Breitreifen
E07684
89
Felge für Breitreifen
E08029
55
Sicherungsschraube
E06761
56
GEW.FURCH.SECHSK.SCHRAUBE
E06032
57
Zwischenholm vollst.
E06729
58
SCHEIBE
E03668
59
6-kt.Schraube
E06730
60
SECHSKANTSCHRAUBE
E01958
61
Sechskantmutter
E01968
62
Lenker AS84/2LB vollst.
E08336
63
Scheibe
E07940
64
LENKERSPANNHEBEL VOLLST.
E04902
65
Federdorn vollst.
E08337
66
Kraftstofftank vollst. m. Deckel
E06490
67
Tankhaltestrebe
E04142
68
Sechskantschraube
E02926
69
Kraftstoffschlauch 500 lg.
E06491
70
Schlauchschelle
E03626
71
Windblech
E06495
72
Lenkbremsenzug AS84/2LB
E08016
73
GEW.FURCH.SECHSK.SCHRAUBE
E06365
74
Kugelscheibe
E07522
75
SECHSKANTMUTTER
E01932
78
Messerantriebszug AS84/2LB
E08017
80
SECHSKANTMUTTER
E01912
81
6-kt.Schraube
E07643
82
SECHSKANTMUTTER
E07269
83
Fahrantriebszug oben
E08012
84
SCHEIBE
E01181
85
Scheibe
E07936
86
Linsenschraube
E07937
Gebrauchsanweisungen
AS Motor
AS Batterierasenmäher
AS 45 Ausputzmäher
AS 46 Variomat
AS 45 Universal
AS 53 Standard
AS 53 Allrad
AS 55 Heckauswurf
AS 550 Heckauswurf
AS Allmäher
AS Enduro
AS Schlegelmäher
AS Mulchmeister
AS Mulchmeister 102
AS Mulchmeister 84
AS Mulchmeister 84/LB
AS Mulchmeister 84/2LB
Endmontage
Bodenplatte vollst.
Befestigungsstrebe vollst.
Schalldämpfer vollst.
Fahrwerk Abb.1
Fahrwerk Abb.2
Motor vollst.
Riemenscheibe Motor vollst.
Schaltgetriebe vollst.
Schaltstange AS84/2LB vollst.
Riemenscheibennabe Getriebe vollst.
Riemenspanner vollst.
Kettenradnabe vollst.
Radnabe vollst.
Lenker AS84/2LB vollst.bisFNr.14703303999
Lenker AS84/2LB vollst.abFNr.14703404001
Lenkerspannhebel vollst.
Federdorn vollst.
Fahrantriebszug AS84/2LB vollst.
Kraftstofftank vollst.m.Deckel
Kupplung rechts und links vollst.
Messerhaube Abb.1
Messerhaube Abb.2bisFNr.14703303999
Messerhaube Abb.2abFNr.147034040001
Messerlagerung 1 vollst.
Messerlagerung 2 vollst.
Riemenscheibe dw 200 vollst.
Umlenkrolle vollst.
Spannrollenträger AS84/2LB vollst.
Bremshebel vollst.
Radholm vollst.
Kurbel vollst.
Verstellstrebe vollst.
Riemenscheibe dw 145 vollst.
AS Aufsitzmäher
Samix Gartenhäcksler
AS Wildkraut-Hex
Verschleissteile
Impressum
(C) by motoruf