Troy-Bilt POLAR 5053 31A-2R5-609 (2007) Fräsantrieb Ersatzteile
Fräsantrieb 31A-2R5-609 (2007)

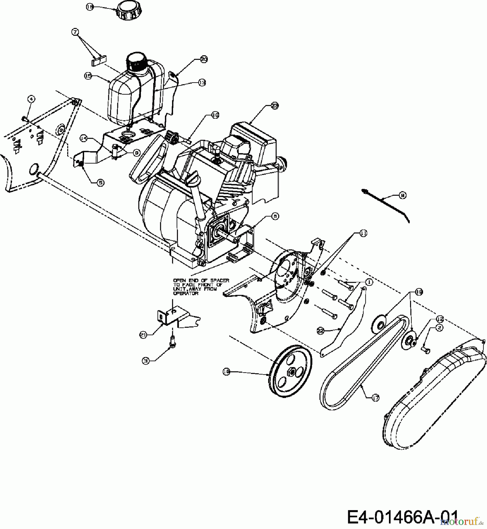
Hier finden Sie die Ersatzteilzeichnung für Troy-Bilt Schneefräsen POLAR 5053 31A-2R5-609 (2007) Fräsantrieb. Wählen Sie das benötigte Ersatzteil aus der Ersatzteilliste Ihres Troy-Bilt Gerätes aus und bestellen Sie einfach online. Viele Troy-Bilt Ersatzteile halten wir ständig in unserem Lager für Sie bereit.


Qualitätsmanagement
Informieren Sie uns, wenn Sie einen Fehler gefunden haben.







