Einstellungen Computer

CRAFTSMAN KREISELRASENMÄHER 917.378342 Ersatzteile

917.378342 KREISELRASENMÄHER

 CRAFTSMAN Divers KREISELRASENMÄHER 917.378342 Seite 2

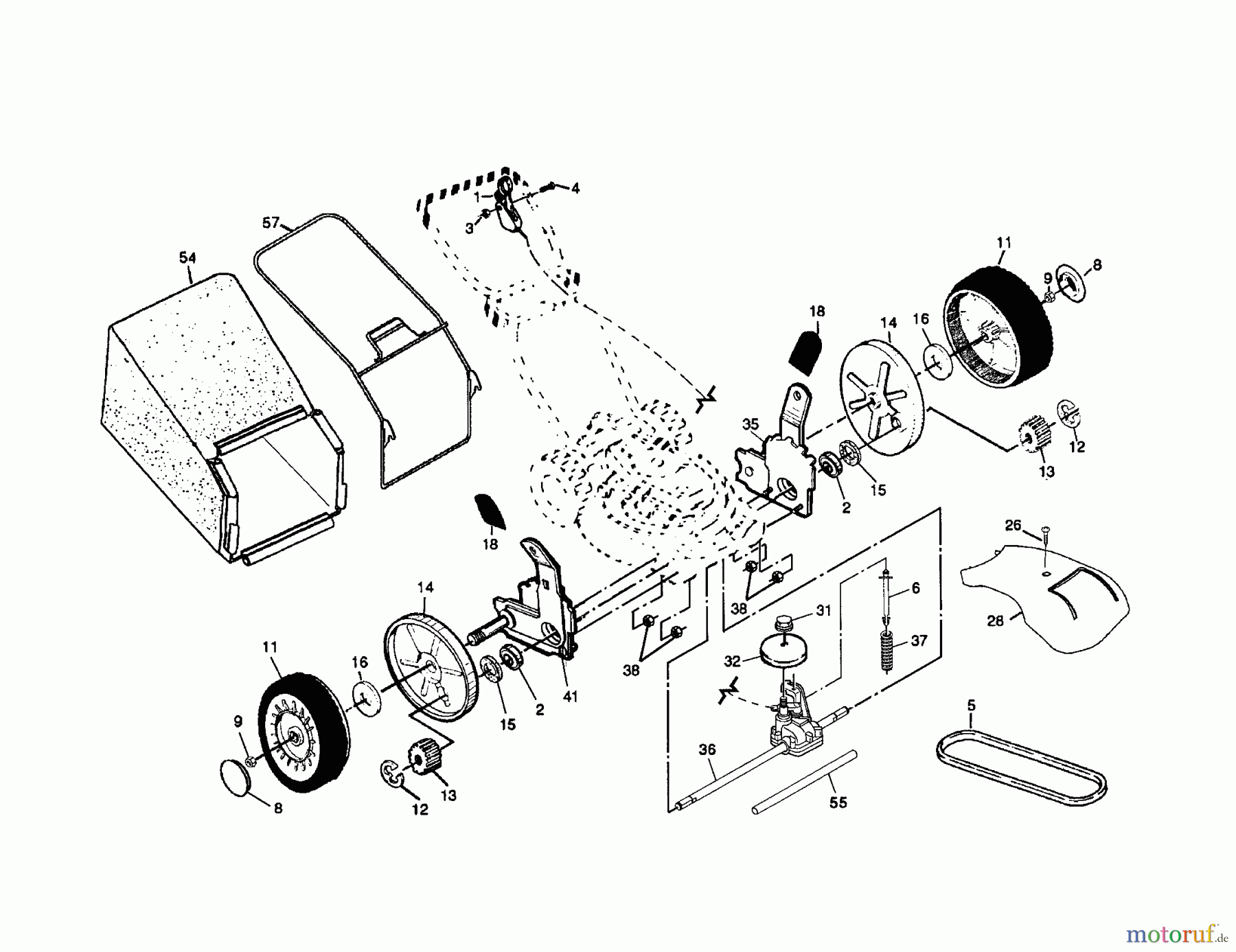
Hier finden Sie die Ersatzteilzeichnung für CRAFTSMAN Divers KREISELRASENMÄHER 917.378342 Seite 2. Wählen Sie das benötigte Ersatzteil aus der Ersatzteilliste Ihres CRAFTSMAN Gerätes aus und bestellen Sie einfach online. Viele CRAFTSMAN Ersatzteile halten wir ständig in unserem Lager für Sie bereit.

Rasen
Bankeinzug, MasterCard, Visa, American Express, PayPal, Nachnahme, Vorauskasse, Sofortüberweisung
Datenschutzerklärung Impressum
Qualitätsmanagement
Informieren Sie uns, wenn Sie einen Fehler gefunden haben.