Troy-Bilt TB 2654 14AR94KK066 (2015) Armaturenbrett Ersatzteile
Armaturenbrett 14AR94KK066 (2015)

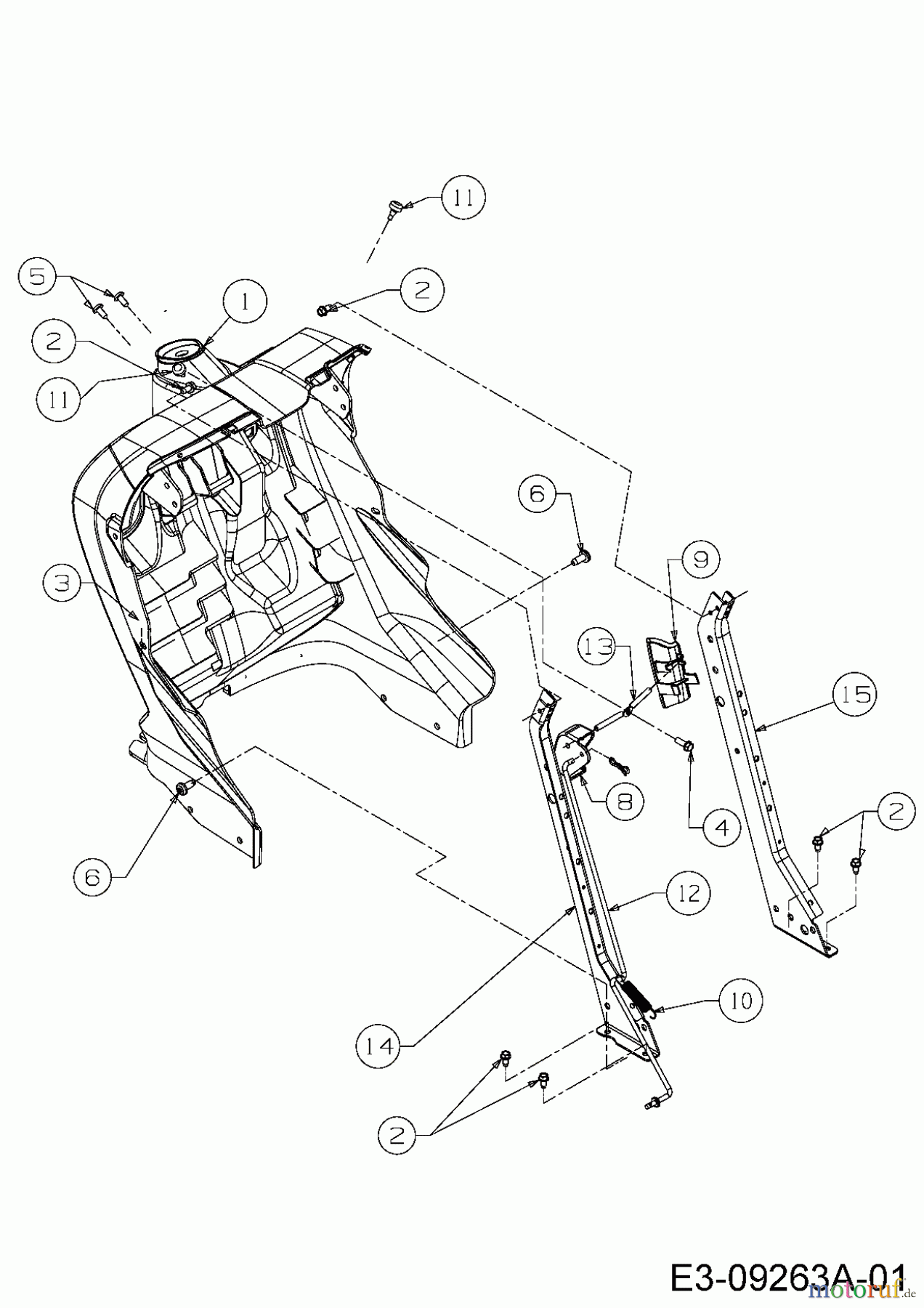
Hier finden Sie die Ersatzteilzeichnung für Troy-Bilt Gartentraktoren TB 2654 14AR94KK066 (2015) Armaturenbrett. Wählen Sie das benötigte Ersatzteil aus der Ersatzteilliste Ihres Troy-Bilt Gerätes aus und bestellen Sie einfach online. Viele Troy-Bilt Ersatzteile halten wir ständig in unserem Lager für Sie bereit.


Qualitätsmanagement
Informieren Sie uns, wenn Sie einen Fehler gefunden haben.






